LEMON Manuals: Even more car manuals for everyone: 1960-2025
Home >> Chevrolet >> 2012 >> Traverse LS, AWD >> Repair and Diagnosis (Single Page) >> External Pages >> Different car >> Section 146 (Cellular System, Entertainment System, And Navigation System) >> Schematic and Routing Diagrams >> Video System Schematics >> Headrest DVD (SPO Accessory)
April 5, 2026: LEMON Manuals is launched! Read the announcement.

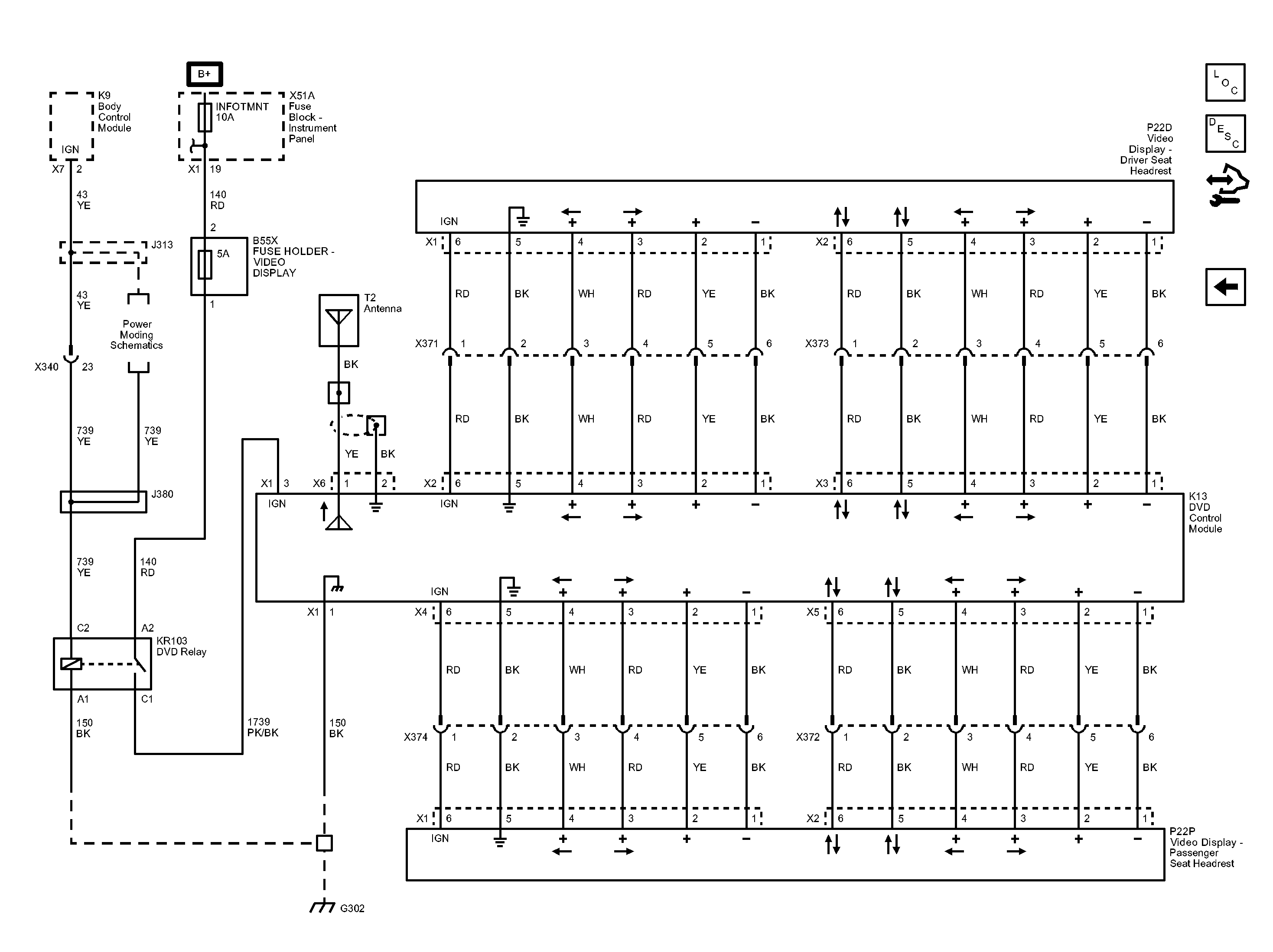
Headrest DVD (SPO Accessory)

WARNING: This page is about a different car, the 2013 GMC Acadia, 2013 Chevrolet Traverse, and 2013 Buick Enclave. However, it is still accessible from the selected car via links, so may be relevant.
Fig 1: Headrest DVD (SPO Accessory) Wiring Schematic
GM2867267Courtesy of GENERAL MOTORS COMPANY