LEMON Manuals: Even more car manuals for everyone: 1960-2025
Home >> Chevrolet >> 2012 >> Traverse LS, AWD >> Repair and Diagnosis >> External Pages >> Different car >> Section 190 (Power Seat System) >> Schematic and Routing Diagrams >> Driver Seat Schematics >> Memory Module Power and Serial Data, and Driver Switches (AG3)
April 5, 2026: LEMON Manuals is launched! Read the announcement.

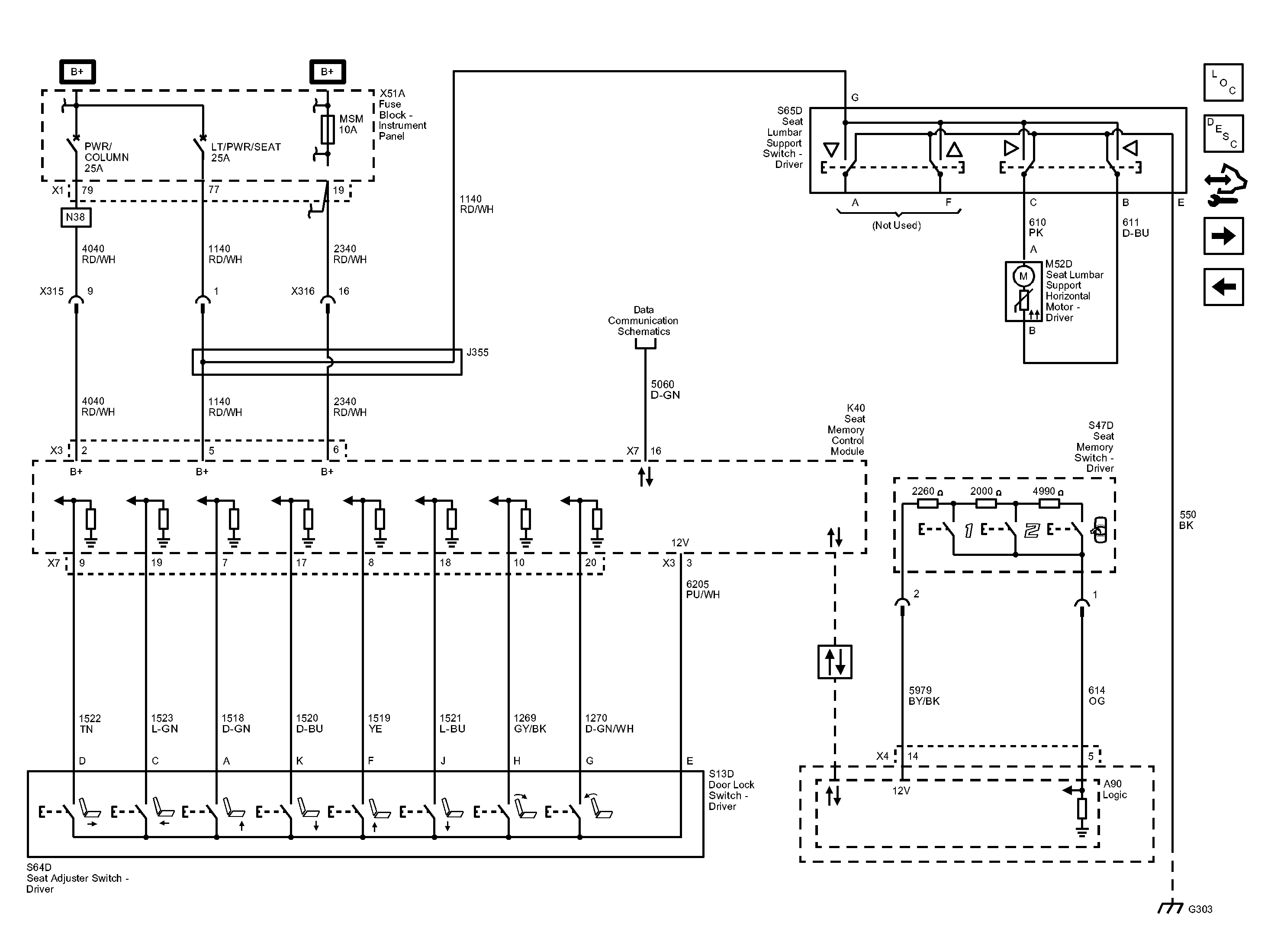
Memory Module Power and Serial Data, and Driver Switches (AG3)

WARNING: This page is about a different car, the 2013 GMC Acadia, 2013 Chevrolet Traverse, and 2013 Buick Enclave. However, it is still accessible from the selected car via links, so may be relevant.
Fig 1: Memory Module Power And Serial Data And Driver Switches (AG3) Wiring Schematic
GM2868173Courtesy of GENERAL MOTORS COMPANY