LEMON Manuals: Even more car manuals for everyone: 1960-2025
Home >> Chevrolet >> 2012 >> Traverse LS, AWD >> Repair and Diagnosis >> External Pages >> Different car >> Section 62 (Object Detection System) >> Schematic and Routing Diagrams >> Object Detection Schematics
April 5, 2026: LEMON Manuals is launched! Read the announcement.

Object Detection Schematics

WARNING: This page is about a different car, the 2010 Cadillac SRX. However, it is still accessible from the selected car via links, so may be relevant.
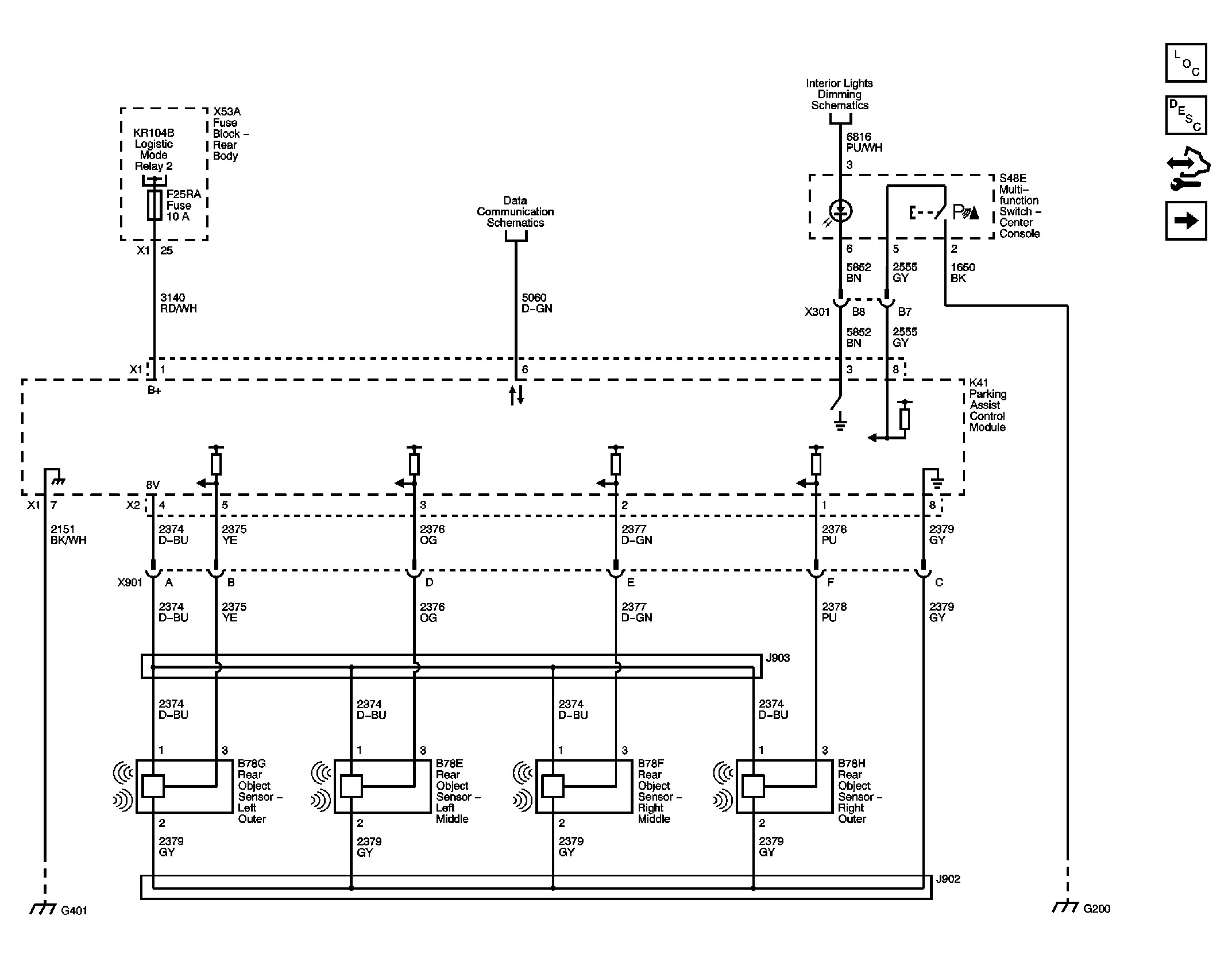
Fig 1: Power, Ground & Rear Sensors Circuit Schematic
GM2241856Courtesy of GENERAL MOTORS CORP.
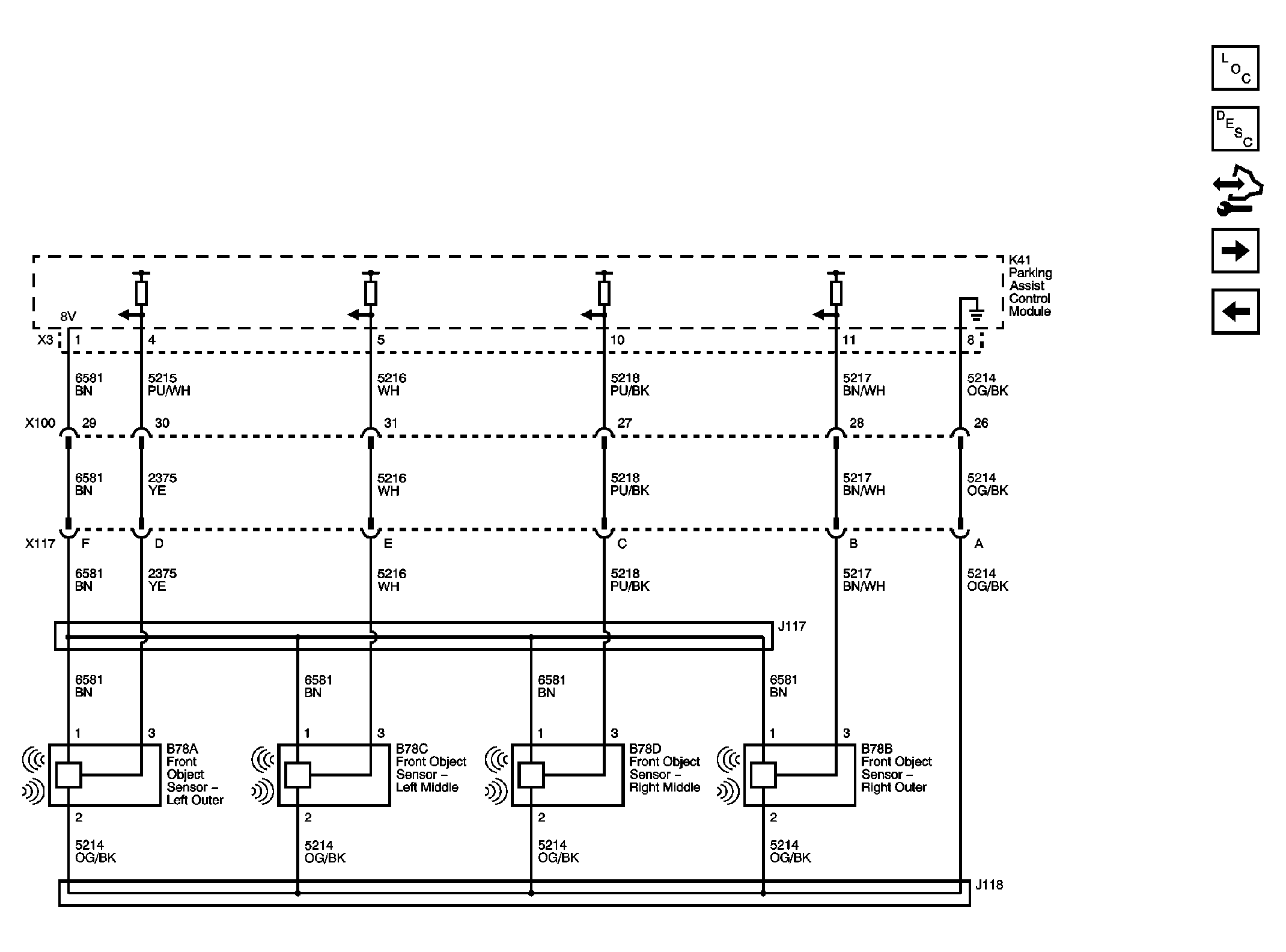
Fig 2: Front Sensors Circuit Schematic
GM2241862Courtesy of GENERAL MOTORS CORP.
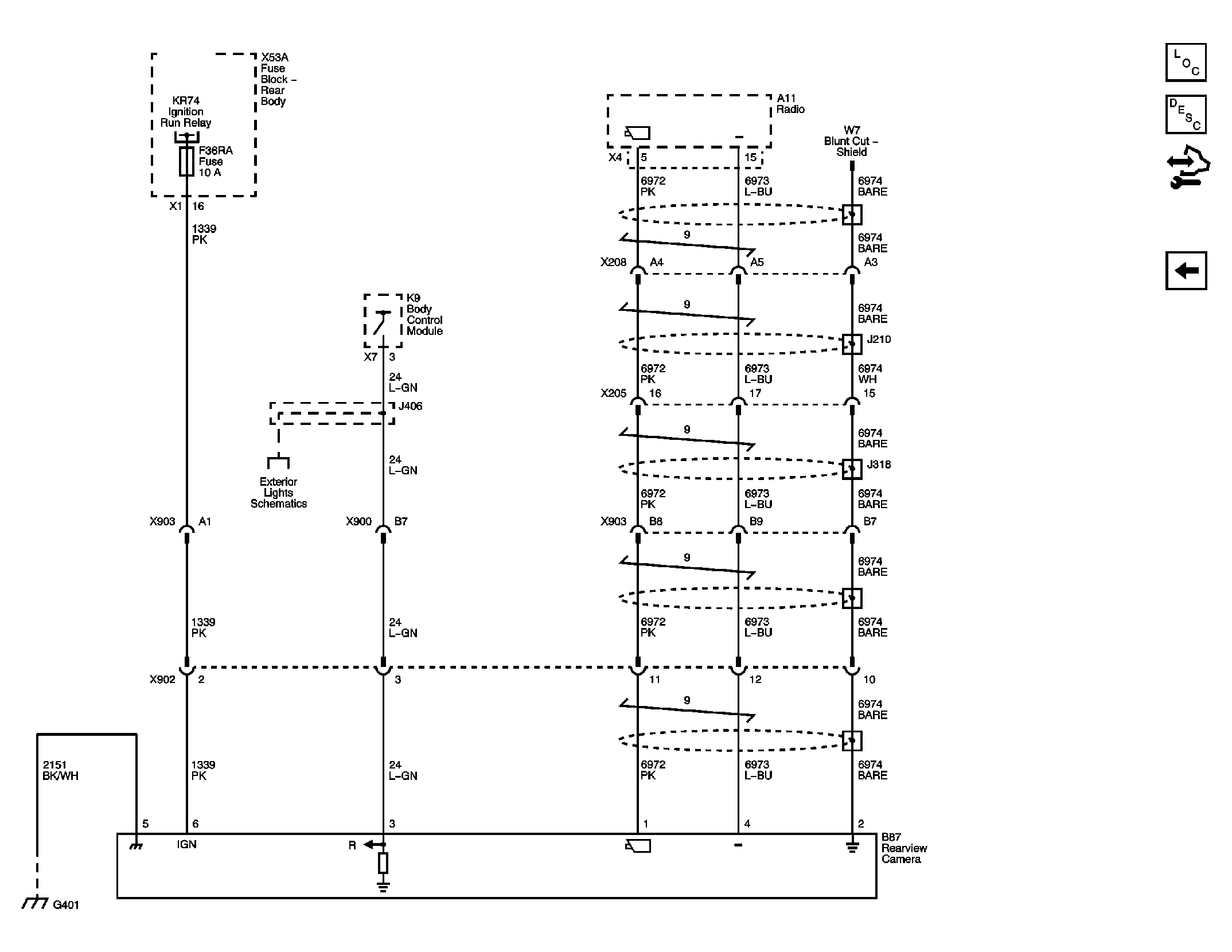
Fig 3: Rear Vision camera Circuit Schematic
GM2241865Courtesy of GENERAL MOTORS CORP.