LEMON Manuals: Even more car manuals for everyone: 1960-2025
Home >> Chevrolet >> 2013 >> Corvette Base, 2D Convertible, Automatic Trans >> Repair and Diagnosis >> External Pages >> Different car >> Section 110 (Cellular System, Entertainment System, And Navigation System) >> Schematic and Routing Diagrams >> OnStar Schematics
April 5, 2026: LEMON Manuals is launched! Read the announcement.

OnStar Schematics

WARNING: This page does not describe the selected car, but rather 8 other vehicles, including the 2008 GMC Yukon XL, 2008 GMC Yukon, 2008 Chevrolet Tahoe, 2008 Chevrolet Suburban, and 2008 Chevrolet Avalanche. However, it is still accessible from the selected car via links, so may be relevant.
Fig 1: Module Power, Ground, and Serial Data
GM1907287Courtesy of GENERAL MOTORS CORP.
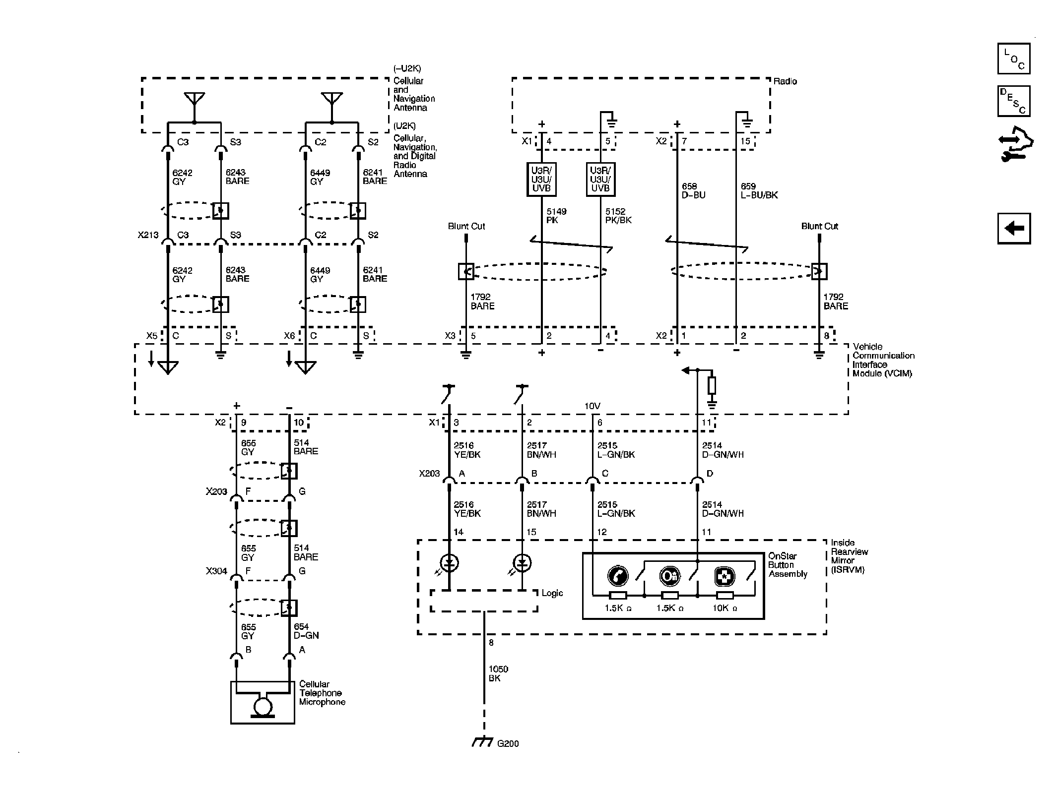
Fig 2: Communication Signals and Control
GM1907291Courtesy of GENERAL MOTORS CORP.