LEMON Manuals: Even more car manuals for everyone: 1960-2025
Home >> Chevrolet >> 2013 >> Corvette Base, 2D Convertible, Standard Trans, Trans Mfr CD 6L85M/MM6 >> Repair and Diagnosis >> Accessories & Equipment >> Entertainment Systems >> Cellular System, Entertainment System, And Navigation System >> Schematic Wiring Diagrams >> Radio/Navigation System Wiring Schematics >> Power, Ground, Serial Data and Amplifier Inputs (U66)
April 5, 2026: LEMON Manuals is launched! Read the announcement.

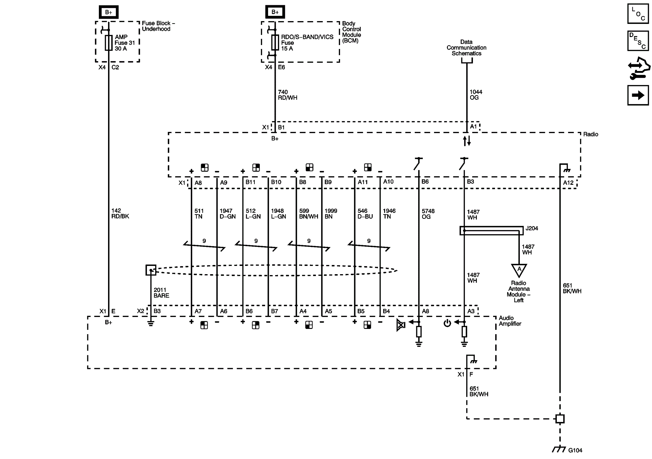
Power, Ground, Serial Data and Amplifier Inputs (U66)

Fig 1: Power, Ground, Serial Data and Amplifier Inputs Wiring Schematic (U66)
GM2756683Courtesy of GENERAL MOTORS COMPANY