LEMON Manuals: Even more car manuals for everyone: 1960-2025
Home >> Chevrolet >> 2013 >> Corvette Base, 2D Convertible, Standard Trans, Trans Mfr CD 6L85M/MM6 >> Repair and Diagnosis >> Accessories & Equipment >> Entertainment Systems >> Cellular System, Entertainment System, And Navigation System >> Schematic Wiring Diagrams >> Radio/Navigation System Wiring Schematics >> Speakers (U65)
April 5, 2026: LEMON Manuals is launched! Read the announcement.

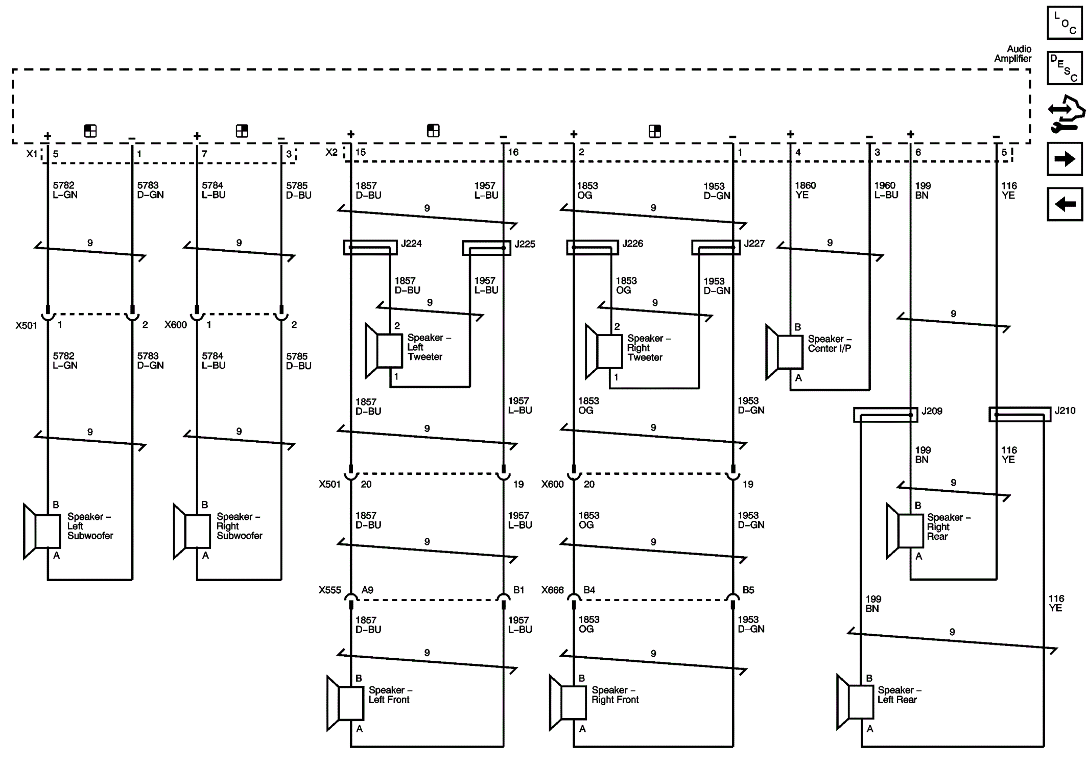
Speakers (U65)

Fig 1: Speakers Wiring Schematic (U65)
GM2756686Courtesy of GENERAL MOTORS COMPANY