LEMON Manuals: Even more car manuals for everyone: 1960-2025
Home >> Chevrolet >> 2013 >> Corvette Base, 2D Convertible, Standard Trans, Trans Mfr CD 6L85M/MM6 >> Repair and Diagnosis >> Accessories & Equipment >> Infotainment >> Cellular System, Entertainment System, And Navigation System >> Schematic Wiring Diagrams >> OnStar Wiring Schematics >> Power, Ground, Serial Data, Antenna, and User Inputs
April 5, 2026: LEMON Manuals is launched! Read the announcement.

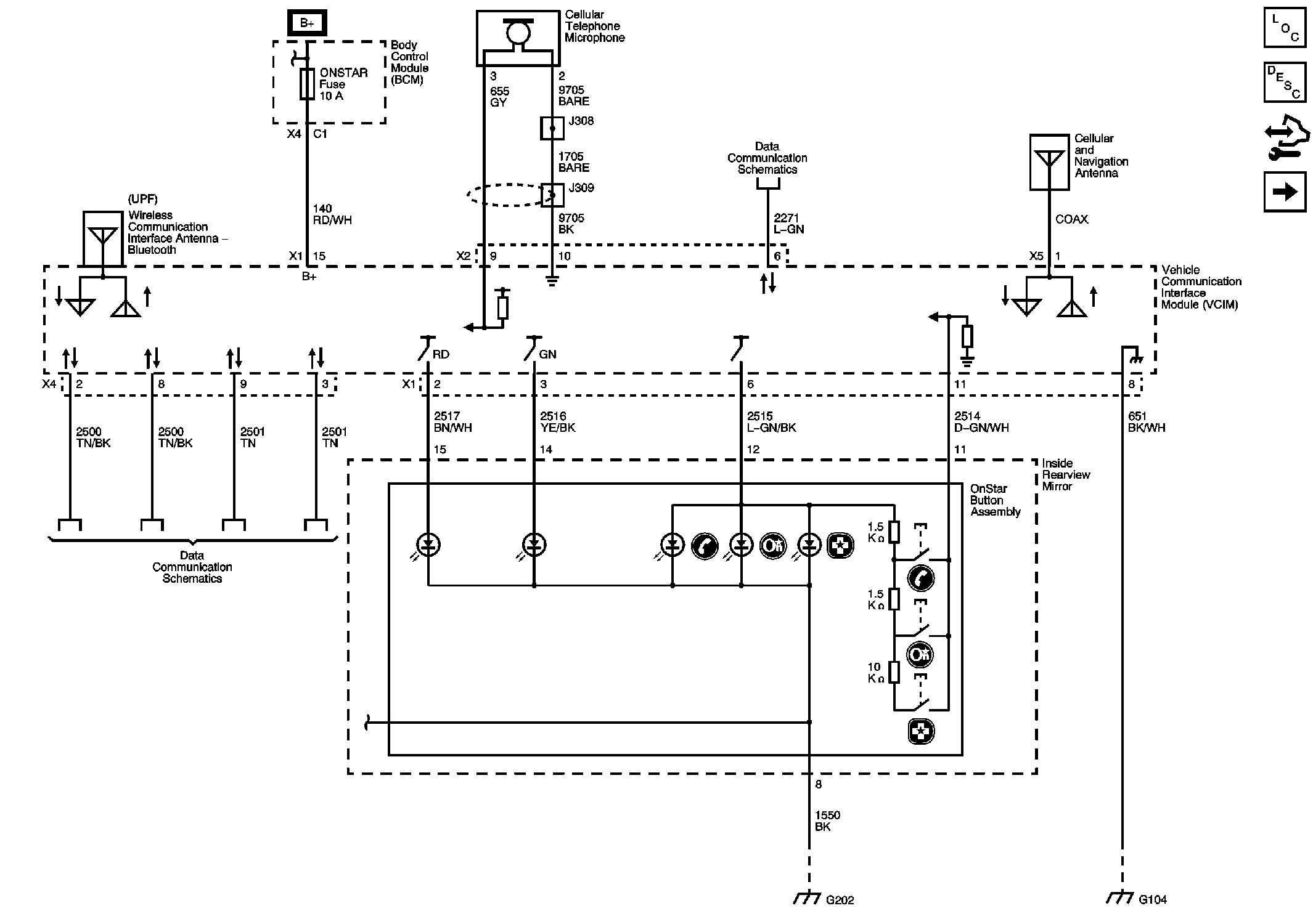
Power, Ground, Serial Data, Antenna, and User Inputs

Fig 1: Power, Ground, Serial Data, Antenna, and User Inputs Wiring Schematic
GM2756695Courtesy of GENERAL MOTORS COMPANY