LEMON Manuals: Even more car manuals for everyone: 1960-2025
Home >> Chevrolet >> 2013 >> Sonic RS, Automatic Trans >> Repair and Diagnosis >> External Pages >> Different car >> Section 521 (Object Detection System And Parking Assist System) >> Schematic Wiring Diagrams >> Object Detection Wiring Schematics >> Side Blind Zone Alert (UFT) Wiring Schematics
April 5, 2026: LEMON Manuals is launched! Read the announcement.

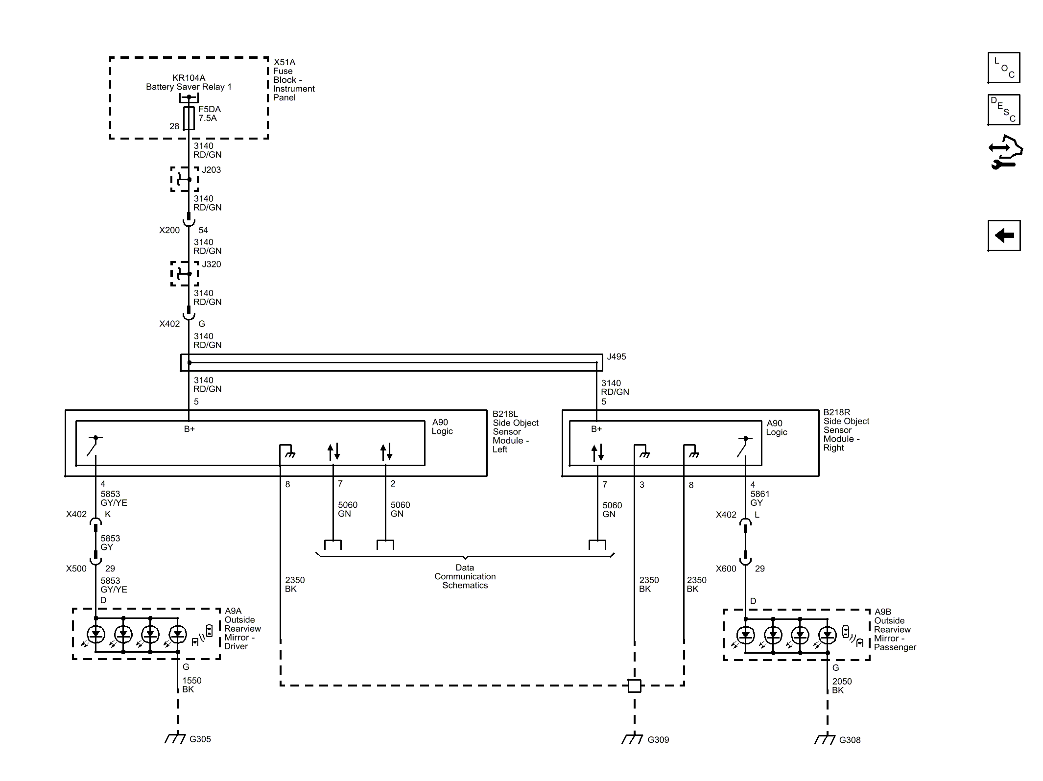
Side Blind Zone Alert (UFT) Wiring Schematics

WARNING: This page is about a different car, the 2014 Chevrolet Cruze. However, it is still accessible from the selected car via links, so may be relevant.
Fig 1: Side Blind Zone Alert (UFT) Wiring Schematic
GM3255791Courtesy of GENERAL MOTORS COMPANY