LEMON Manuals: Even more car manuals for everyone: 1960-2025
Home >> Chevrolet >> 2013 >> Sonic RS, Standard Trans >> Repair and Diagnosis >> External Pages >> Different car >> Section 415 (Keyless Entry System And Remote Functions) >> Wiring Schematics >> Remote Function Wiring Schematics >> Passive Entry And Passive Start Antennas (ATH)
April 5, 2026: LEMON Manuals is launched! Read the announcement.

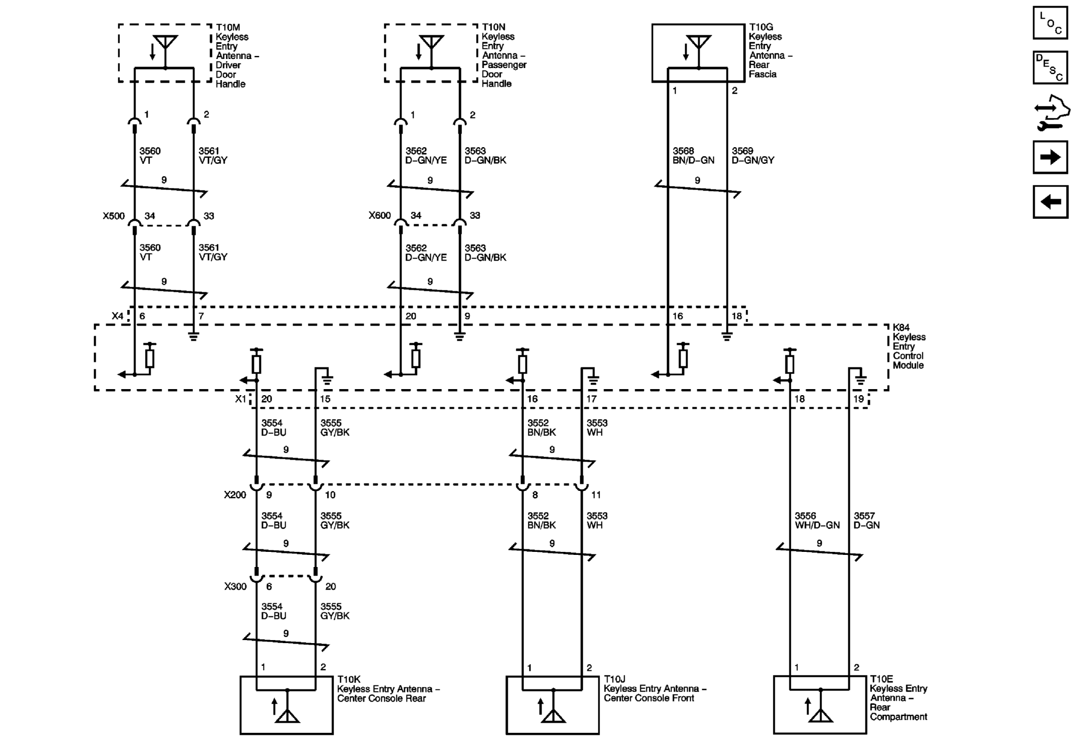
Passive Entry And Passive Start Antennas (ATH)

WARNING: This page is about a different car, the 2012 Chevrolet Cruze. However, it is still accessible from the selected car via links, so may be relevant.
Fig 1: Passive Entry And Passive Start Antennas (ATH) Wiring Schematic
GM2760037Courtesy of GENERAL MOTORS COMPANY