LEMON Manuals: Even more car manuals for everyone: 1960-2025
Home >> Chevrolet >> 2013 >> Traverse LS, AWD >> Repair and Diagnosis >> Body & Frame >> Door Locks >> Power Door Lock System And Release Systems >> Schematic and Routing Diagrams >> Liftgate Schematics >> Module Power, Ground, Serial Data, Instrument Panel Switch And Actuator (TB5)
April 5, 2026: LEMON Manuals is launched! Read the announcement.

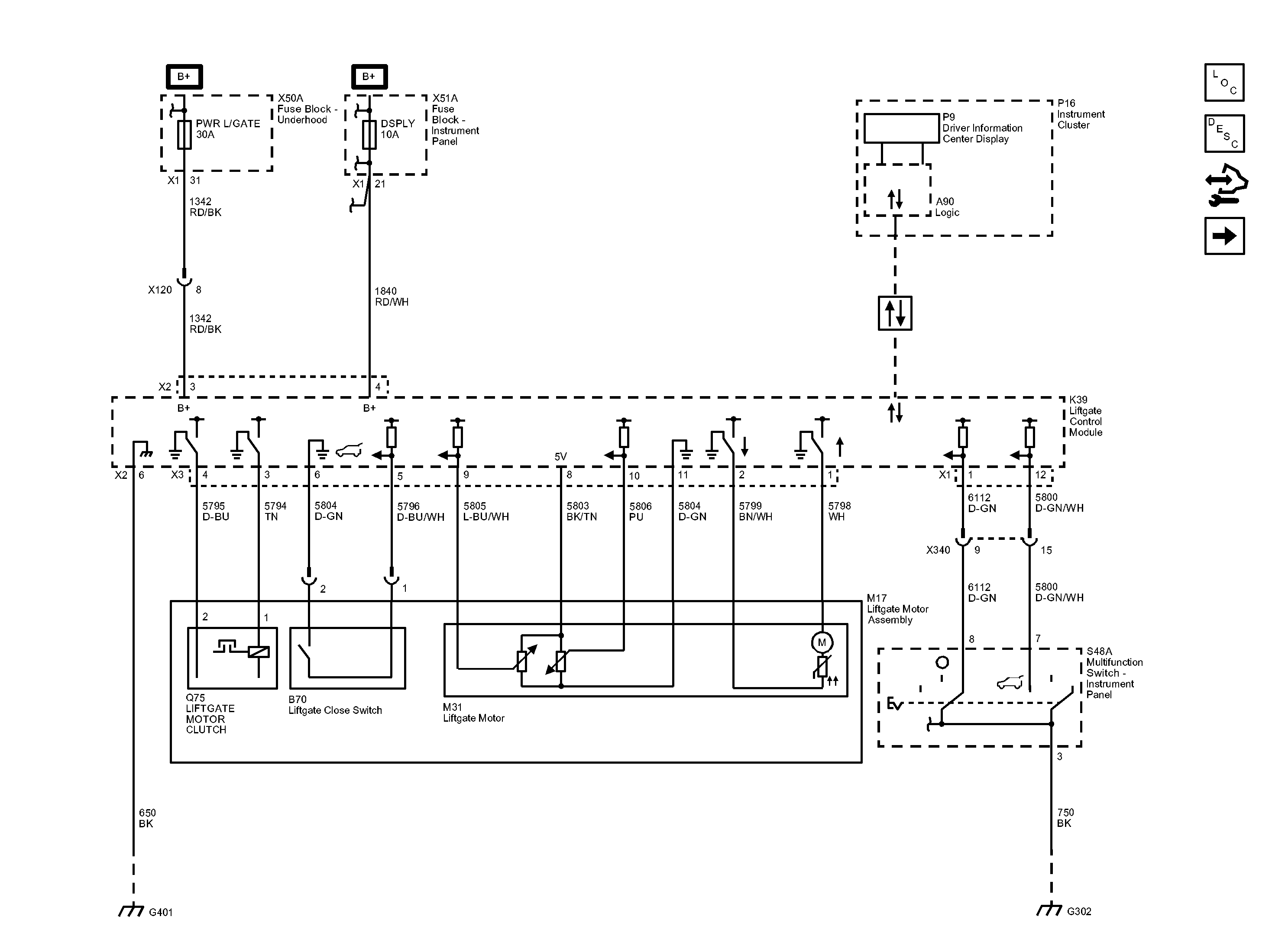
Module Power, Ground, Serial Data, Instrument Panel Switch And Actuator (TB5)

Fig 1: Module Power, Ground, Serial Data, Instrument Panel Switch And Actuator (TB5) Wiring Schematic
GM2867185Courtesy of GENERAL MOTORS COMPANY