LEMON Manuals: Even more car manuals for everyone: 1960-2025
Home >> Chevrolet >> 2013 >> Trax LS, Automatic Trans >> Repair and Diagnosis (Single Page) >> Accessories & Equipment >> Entertainment Systems >> Cellular System, Entertainment System, And Navigation System >> Schematic and Routing Diagrams >> Radio/Navigation System Schematics >> Radio/HVAC Controls
April 5, 2026: LEMON Manuals is launched! Read the announcement.

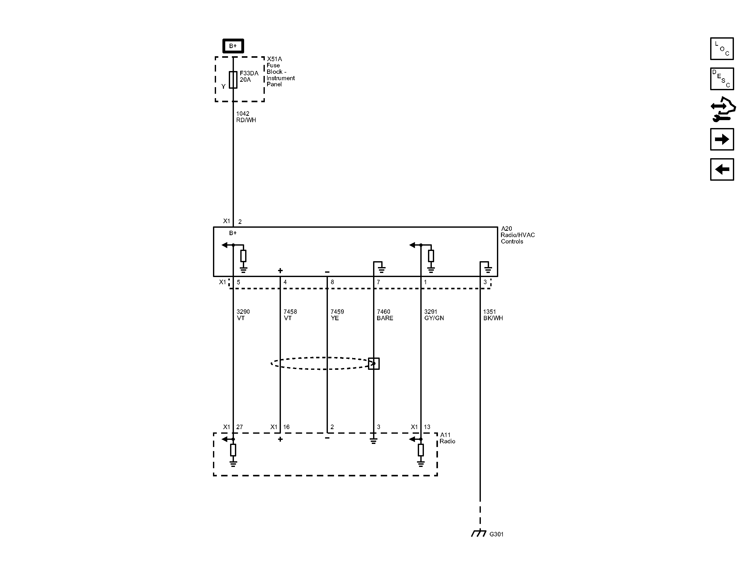
Radio/HVAC Controls

Fig 1: Radio/HVAC Controls Wiring Schematic
GM2878318Courtesy of GENERAL MOTORS COMPANY