LEMON Manuals: Even more car manuals for everyone: 1960-2025
Home >> Chevrolet >> 2013 >> Trax LS, Automatic Trans >> Repair and Diagnosis (Single Page) >> Accessories & Equipment >> Infotainment >> Cellular System, Entertainment System, And Navigation System >> Schematic and Routing Diagrams >> Radio/Navigation System Schematics >> Power, Ground, Serial Data, Antenna And Audio Input
April 5, 2026: LEMON Manuals is launched! Read the announcement.

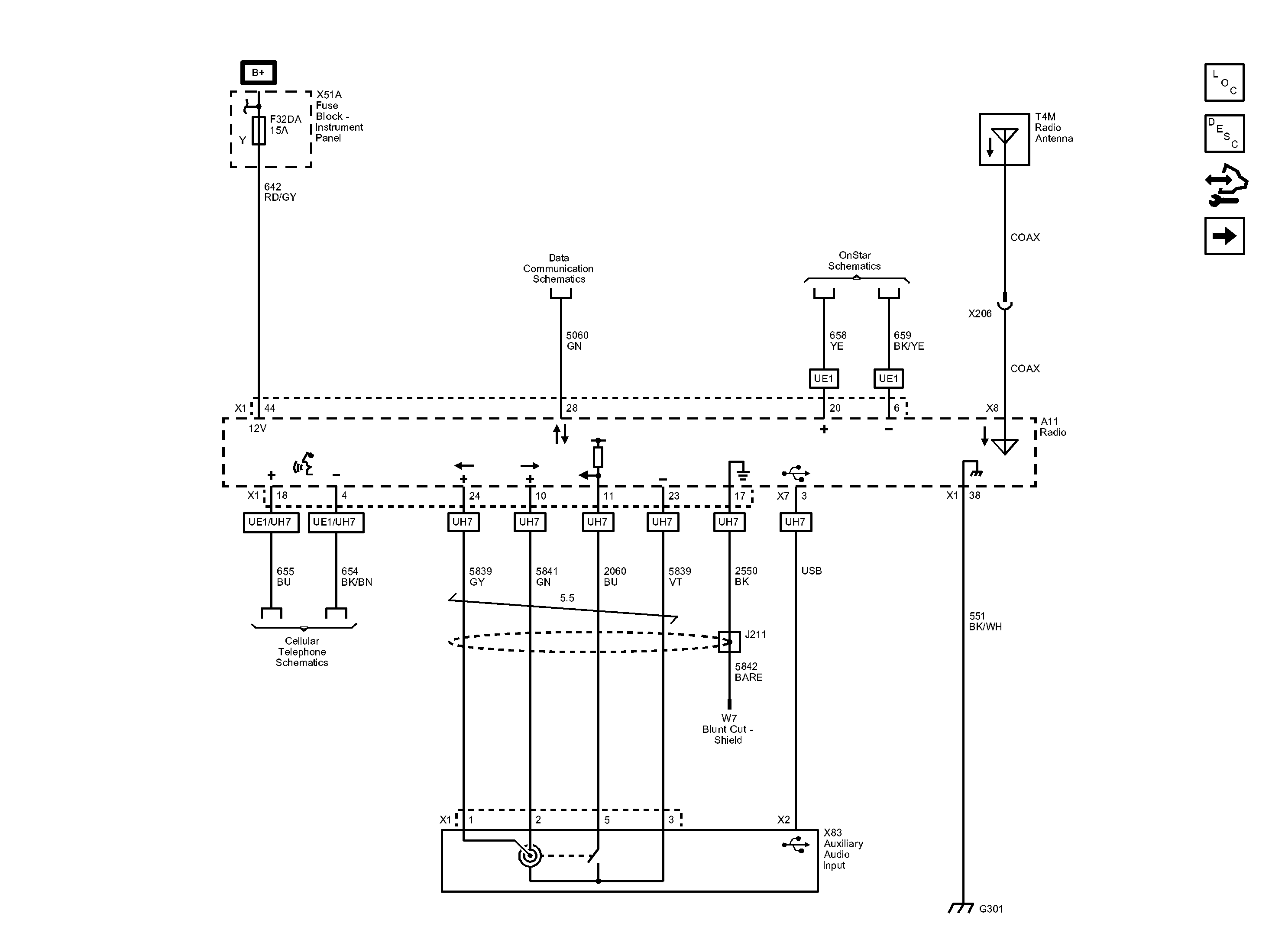
Power, Ground, Serial Data, Antenna And Audio Input

Fig 1: Power, Ground, Serial Data, Antenna And Audio Input Wiring Schematic
GM2876143Courtesy of GENERAL MOTORS COMPANY