LEMON Manuals: Even more car manuals for everyone: 1960-2025
Home >> Chevrolet >> 2014 >> Corvette 2D Convertible, Automatic Trans >> Repair and Diagnosis (Single Page) >> Accessories & Equipment >> Entertainment Systems >> Cellular System, Entertainment System, And Navigation System >> Schematic Wiring Diagrams >> Radio/Navigation System Wiring Schematics >> Human Machine Interface and Info Display - Power, Ground, Serial Data, and Microphone Wiring Schematics
April 5, 2026: LEMON Manuals is launched! Read the announcement.

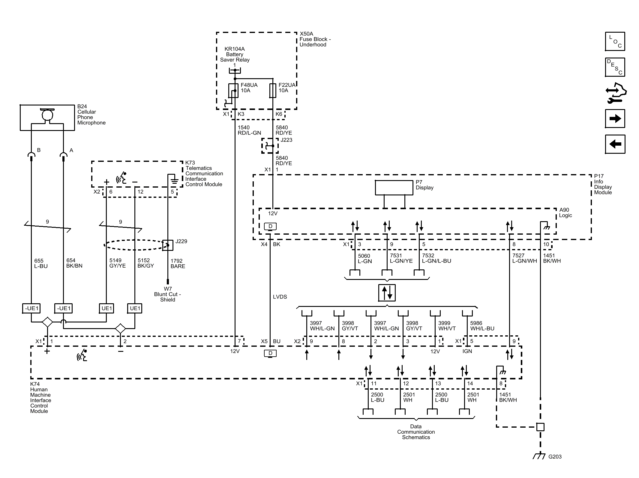
Human Machine Interface and Info Display - Power, Ground, Serial Data, and Microphone Wiring Schematics

Fig 1: Human Machine Interface and Info Display - Power, Ground, Serial Data, and Microphone Wiring Schematic
GM3404507Courtesy of GENERAL MOTORS COMPANY