LEMON Manuals: Even more car manuals for everyone: 1960-2025
Home >> Chevrolet >> 2014 >> Impala Limited LS >> Repair and Diagnosis >> External Pages >> Different car >> Section 31 (Cellular System, Entertainment System, And Navigation System) >> Schematic Wiring Diagrams >> Radio/Navigation System Wiring Schematics (IO3) >> Radio and Display, Power, Ground and Serial Data
April 5, 2026: LEMON Manuals is launched! Read the announcement.

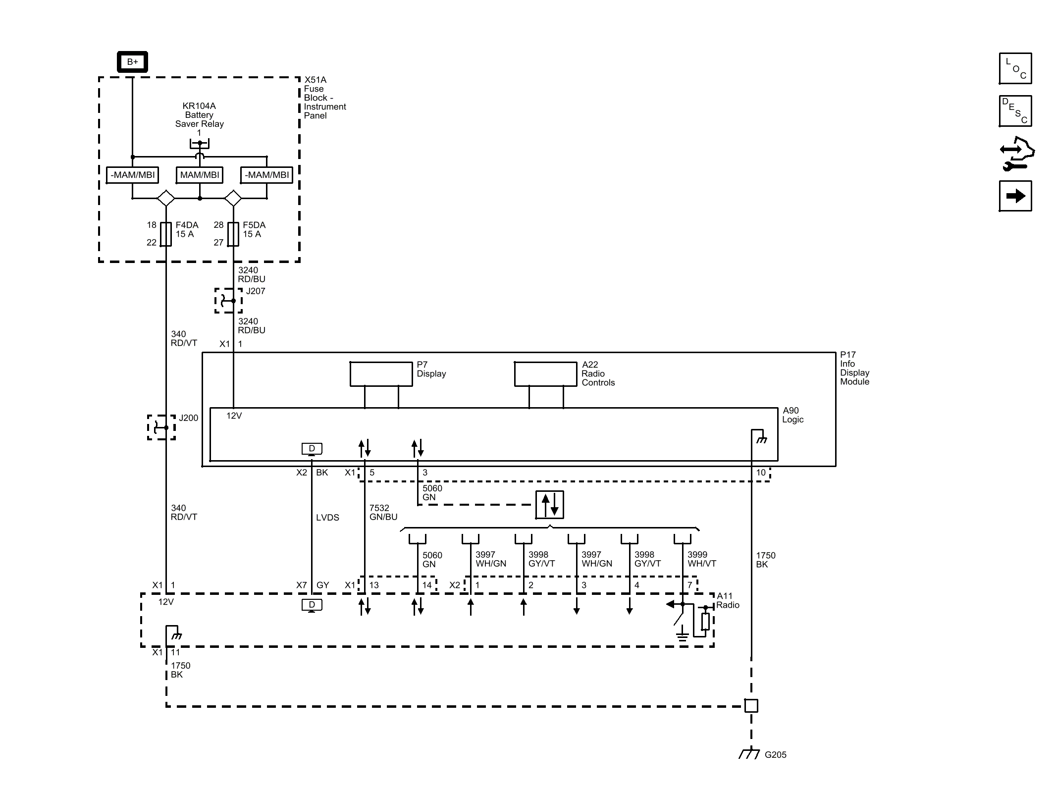
Radio and Display, Power, Ground and Serial Data

WARNING: This page is about a different car, the 2014 Chevrolet Impala. However, it is still accessible from the selected car via links, so may be relevant.
Fig 1: Radio and Display, Power, Ground and Serial Data Wiring Schematic
GM2916142Courtesy of GENERAL MOTORS COMPANY