LEMON Manuals: Even more car manuals for everyone: 1960-2025
Home >> Chevrolet >> 2014 >> Impala Limited Police >> Repair and Diagnosis >> External Pages >> Different car >> Section 72 (Object Detection System And Pedestrian Protection System) >> Schematic Wiring Diagrams >> Object Detection Wiring Schematics >> Rear Cross Traffic Alert (UFG) and Side Object Detection (UFT)
April 5, 2026: LEMON Manuals is launched! Read the announcement.

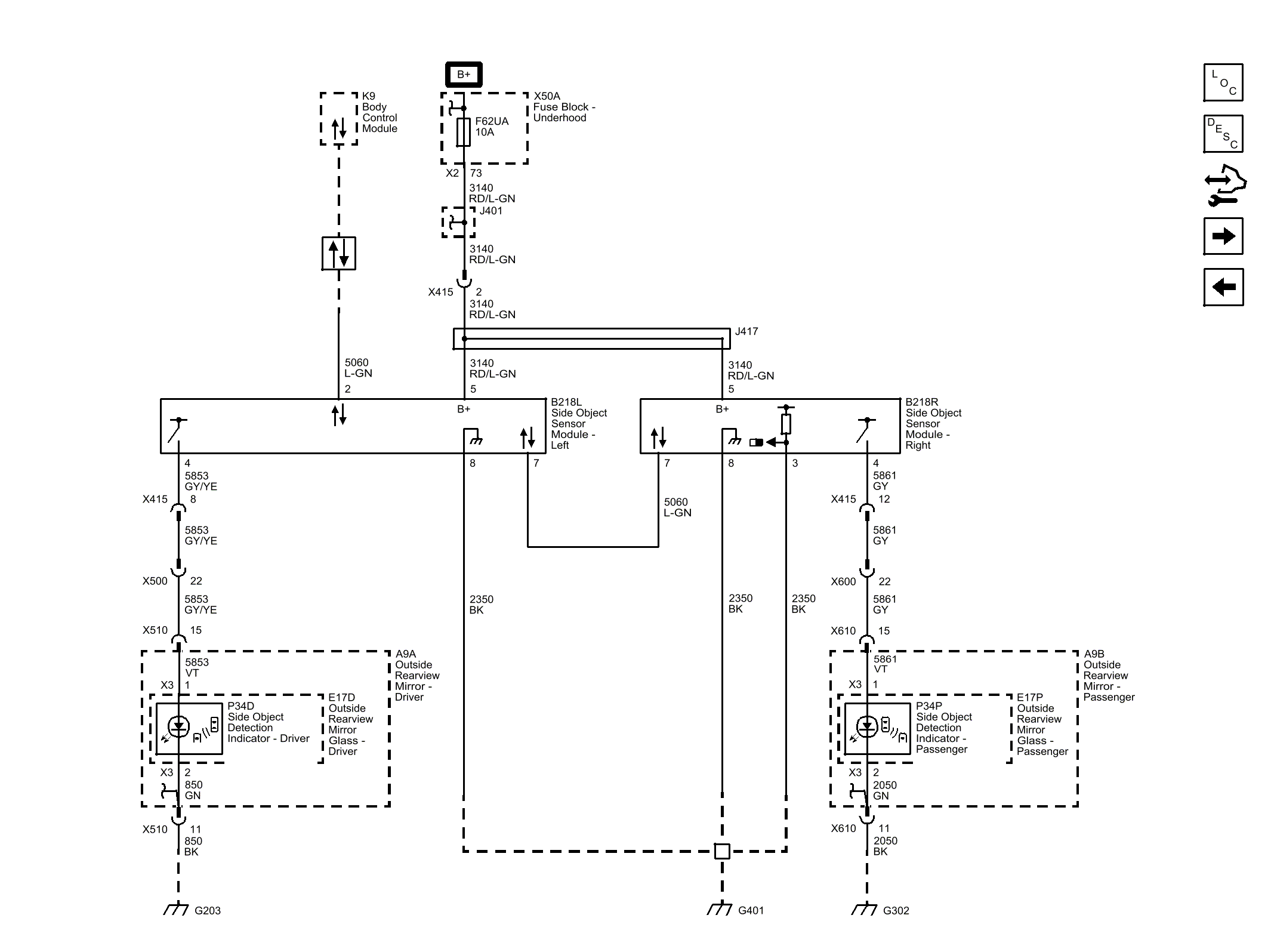
Rear Cross Traffic Alert (UFG) and Side Object Detection (UFT)

WARNING: This page is about a different car, the 2014 Chevrolet Impala. However, it is still accessible from the selected car via links, so may be relevant.
Fig 1: Rear Cross Traffic Alert (UFG) & Side Object Detection Wiring Schematic (UFT)
GM2916852Courtesy of GENERAL MOTORS COMPANY