LEMON Manuals: Even more car manuals for everyone: 1960-2025
Home >> Chevrolet >> 2014 >> Traverse LS, 4D Utility >> Repair and Diagnosis >> Accessories & Equipment >> Entertainment Systems >> Cellular System, Entertainment System, And Navigation System >> Schematic Wiring Diagrams >> Radio/Navigation System Wiring Schematics >> Power, Ground, Serial Data, Antennas, Lighting and Vehicle Speed Signal
April 5, 2026: LEMON Manuals is launched! Read the announcement.

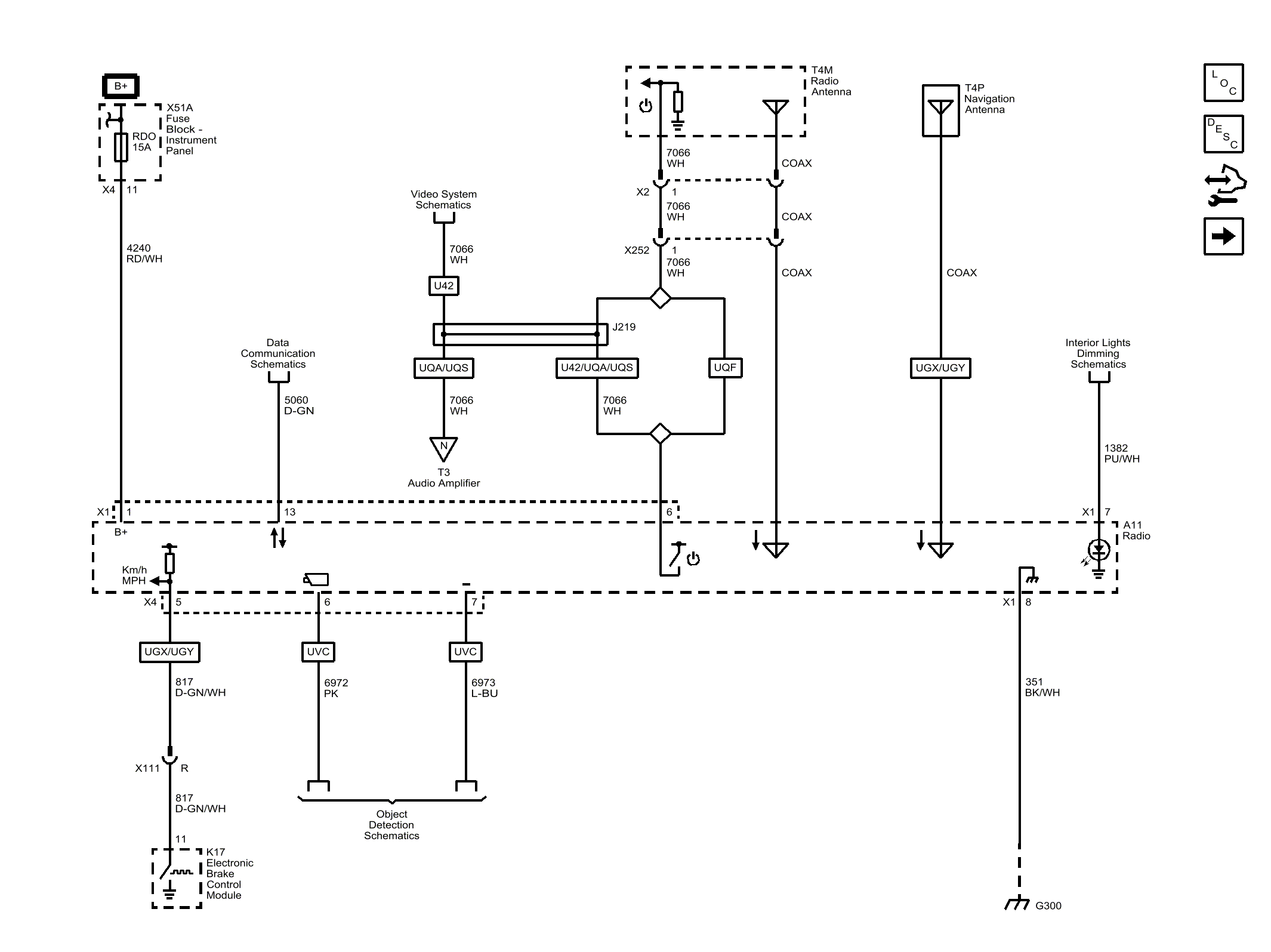
Power, Ground, Serial Data, Antennas, Lighting and Vehicle Speed Signal

Fig 1: Power, Ground, Serial Data, Antennas, Lighting and Vehicle Speed Signal Wiring Schematics
GM3326685Courtesy of GENERAL MOTORS COMPANY