LEMON Manuals: Even more car manuals for everyone: 1960-2025
Home >> Chevrolet >> 2014 >> Traverse LS, 4D Utility >> Repair and Diagnosis >> External Pages >> Different car >> Section 26 (Cellular System, Entertainment System, And Navigation System) >> Schematic Wiring Diagrams >> Radio/Navigation System Wiring Schematics >> Power, Ground, Serial Data, Antennas, Lighting, and Vehicle Speed Signal
April 5, 2026: LEMON Manuals is launched! Read the announcement.

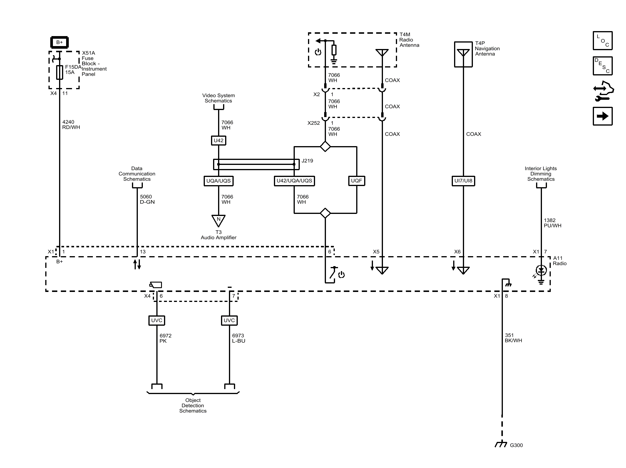
Power, Ground, Serial Data, Antennas, Lighting, and Vehicle Speed Signal

WARNING: This page is about a different car, the 2015 GMC Acadia, 2015 Chevrolet Traverse, and 2015 Buick Enclave. However, it is still accessible from the selected car via links, so may be relevant.
Fig 1: Power, Ground, Serial Data, Antennas, Lighting, and Vehicle Speed Signal
GM3717717Courtesy of GENERAL MOTORS COMPANY