LEMON Manuals: Even more car manuals for everyone: 1960-2025
Home >> Chevrolet >> 2014 >> Trax LS, Automatic Trans >> Repair and Diagnosis >> Accessories & Equipment >> Memory Modules >> Secondary And Configurable Customer Control System >> Schematic Wiring Diagrams >> Steering Wheel Secondary/Configurable Control Wiring Schematics (Trax) >> Steering Wheel Control System
April 5, 2026: LEMON Manuals is launched! Read the announcement.

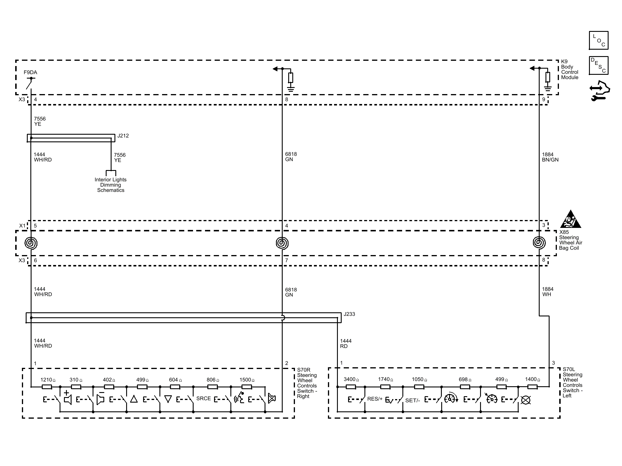
Steering Wheel Control System

Fig 1: Steering Wheel Control System
GM3631391Courtesy of GENERAL MOTORS COMPANY