LEMON Manuals: Even more car manuals for everyone: 1960-2025
Home >> Chevrolet >> 2014 >> Trax LS, Standard Trans >> Repair and Diagnosis (Single Page) >> Accessories & Equipment >> Infotainment >> Cellular System, Entertainment System, And Navigation System >> Schematic Wiring Diagrams >> Radio/Navigation System Wiring Schematics (Encore) >> Power, Ground, Serial Data, Antenna, and Audio Input
April 5, 2026: LEMON Manuals is launched! Read the announcement.

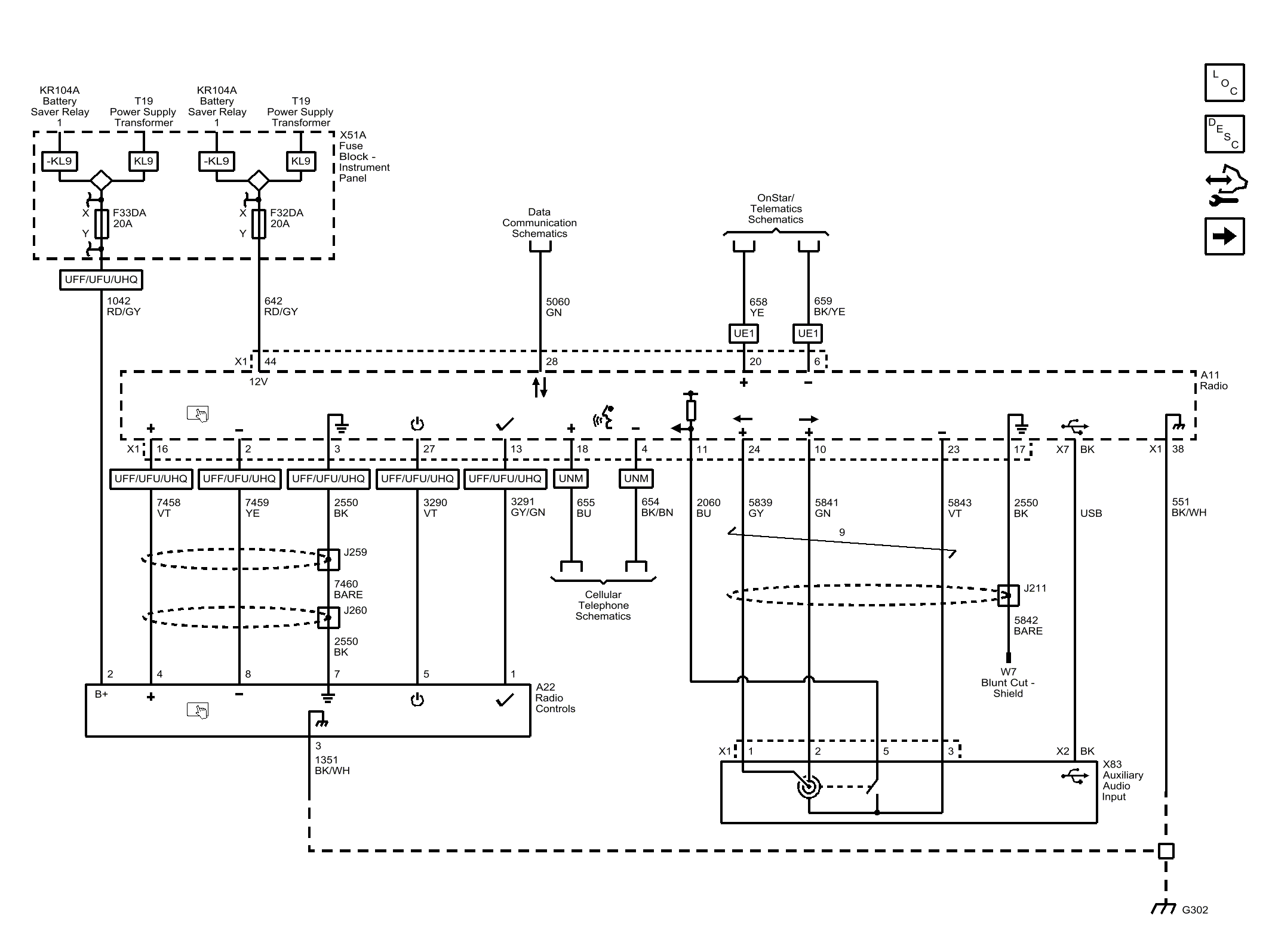
Power, Ground, Serial Data, Antenna, and Audio Input

Fig 1: Power, Ground, Serial Data, Antenna, and Audio Input
GM3263598Courtesy of GENERAL MOTORS COMPANY