LEMON Manuals: Even more car manuals for everyone: 1960-2025
Home >> Chevrolet >> 2016 >> Camaro SS, 2D Convertible, Automatic Trans >> Repair and Diagnosis >> Accessories & Equipment >> Collision/Avoidance >> Object Detection And Pedestrian Protection System >> Schematic Wiring Diagrams >> Object Detection Wiring Schematics >> Pedestrian Impact Detection System (B3T)
April 5, 2026: LEMON Manuals is launched! Read the announcement.

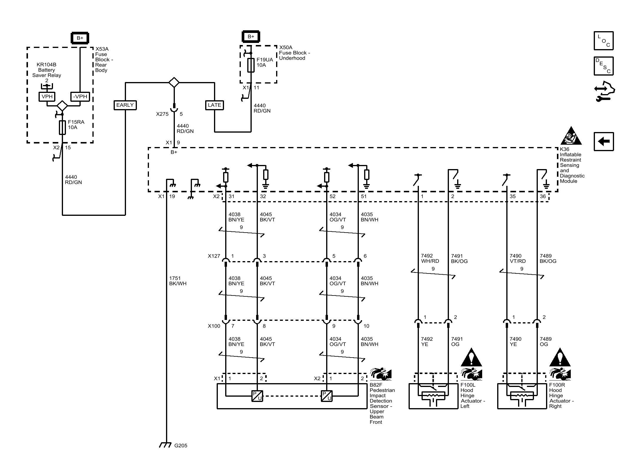
Pedestrian Impact Detection System (B3T)

Fig 1: Pedestrian Impact Detection System (B3T)
GM4232302Courtesy of GENERAL MOTORS COMPANY