LEMON Manuals: Even more car manuals for everyone: 1960-2025
Home >> Chevrolet >> 2016 >> Suburban 3500 HD LS >> Repair and Diagnosis (Single Page) >> Accessories & Equipment >> Entertainment Systems >> Cellular System, Entertainment System, And Navigation System - Schematic Wiring Diagrams >> Schematic Wiring Diagrams >> Radio/Navigation System Wiring Schematics (IO5, IO6) >> Human Machine Interface, Display, Cellular Microphone, Power, Ground and Serial Data
April 5, 2026: LEMON Manuals is launched! Read the announcement.

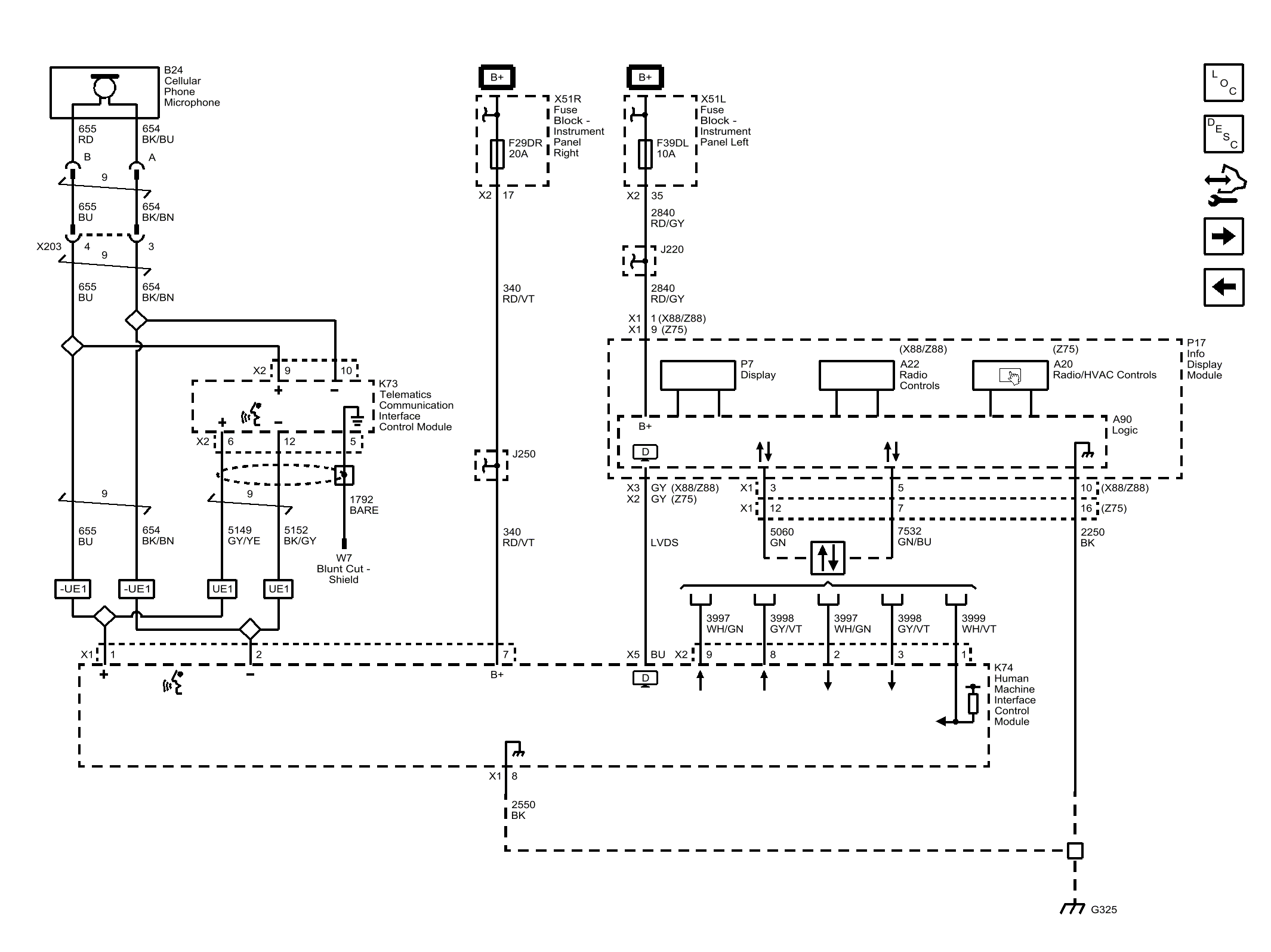
Human Machine Interface, Display, Cellular Microphone, Power, Ground and Serial Data

Fig 1: Human Machine Interface, Display, Cellular Microphone, Power, Ground and Serial Data
GM4074379Courtesy of GENERAL MOTORS COMPANY