LEMON Manuals: Even more car manuals for everyone: 1960-2025
Home >> Chevrolet >> 2016 >> Trax LS, AWD >> Repair and Diagnosis >> External Pages >> Different car >> Section 61 (Cellular System, Entertainment System, And Navigation System) >> Schematic Wiring Diagrams >> Radio/Navigation System Wiring Schematics (Encore) >> Power, Ground, Serial Data, and Audio Input (Encore)
April 5, 2026: LEMON Manuals is launched! Read the announcement.

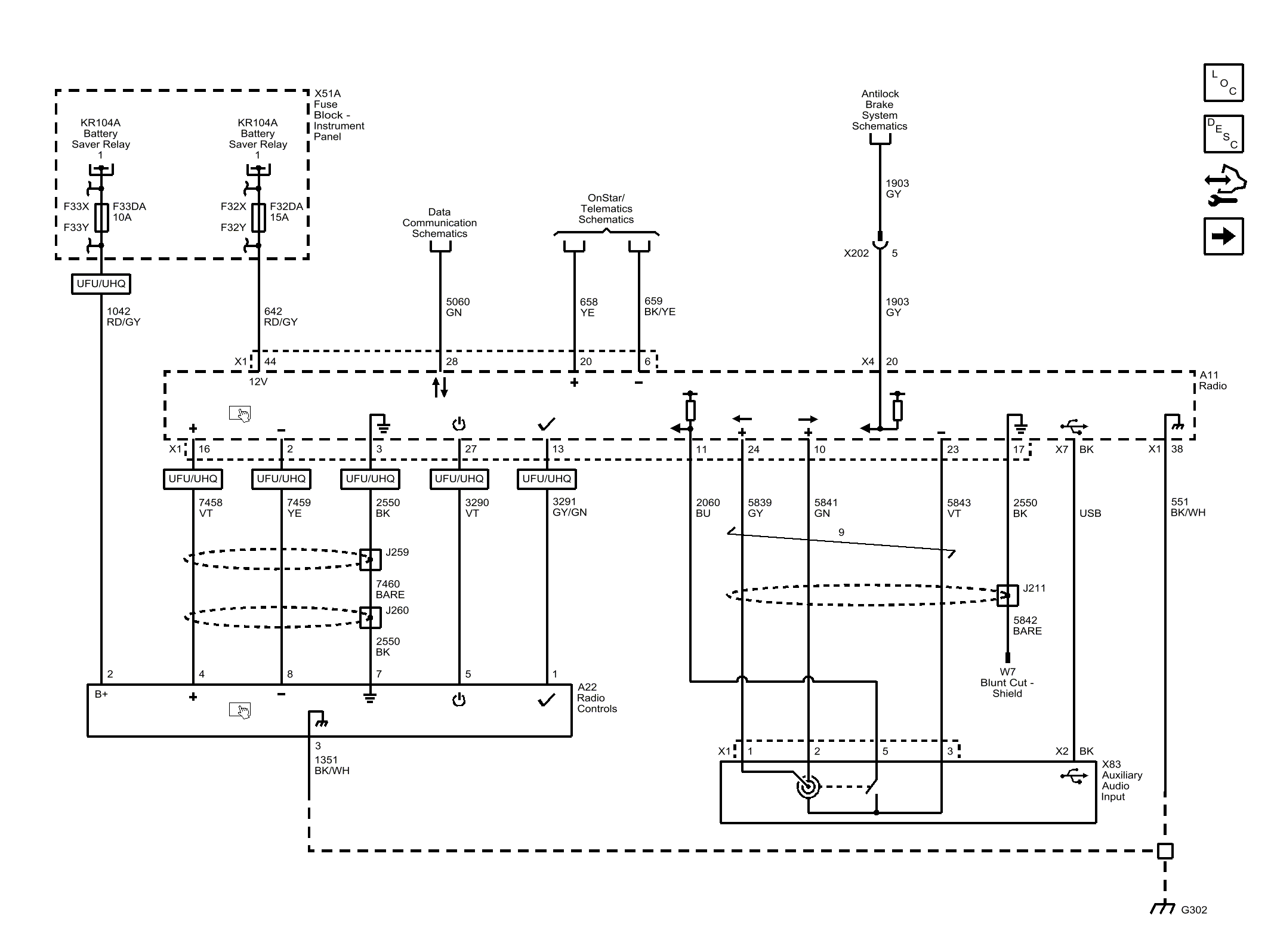
Power, Ground, Serial Data, and Audio Input (Encore)

WARNING: This page is about a different car, the 2015 Chevrolet Trax and 2015 Buick Encore. However, it is still accessible from the selected car via links, so may be relevant.
Fig 1: Power, Ground, Serial Data, and Audio Input (Encore)
GM3696563Courtesy of GENERAL MOTORS COMPANY