LEMON Manuals: Even more car manuals for everyone: 1960-2025
Home >> Chevrolet >> 2017 >> Bolt EV Premier >> Repair and Diagnosis >> Accessories & Equipment >> Drivers Assistance Systems - ADAS >> Object Detection System And Pedestrian Protection System >> Schematic Wiring Diagrams >> Object Detection Wiring Schematics >> Park Assist - Power, Ground, Serial Data and Control (UD5, UD7 or UFQ)
April 5, 2026: LEMON Manuals is launched! Read the announcement.

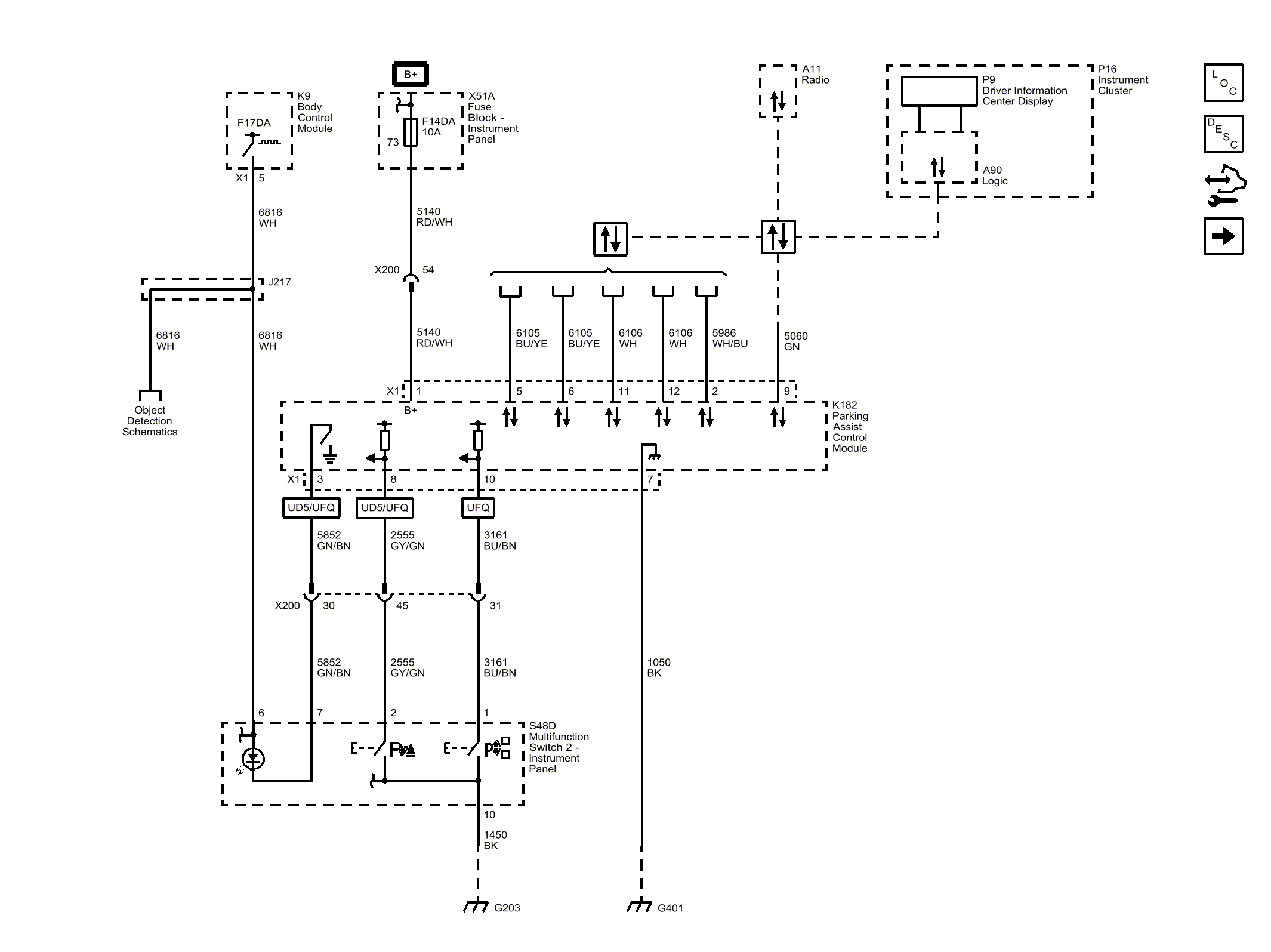
Park Assist - Power, Ground, Serial Data and Control (UD5, UD7 or UFQ)

Fig 1: Park Assist - Power, Ground, Serial Data and Control (UD5, UD7 or UFQ)
GM4519136Courtesy of GENERAL MOTORS COMPANY