LEMON Manuals: Even more car manuals for everyone: 1960-2025
Home >> Chevrolet >> 2017 >> Corvette Z06, 2D Convertible, Automatic Trans >> Repair and Diagnosis >> Accessories & Equipment >> Drivers Assistance Systems - ADAS >> Object Detection System >> Schematic Wiring Diagrams >> Object Detection Wiring Schematics >> Curbview Vision - Power, Ground, Serial Data, and Rear Camera (UVJ)
April 5, 2026: LEMON Manuals is launched! Read the announcement.

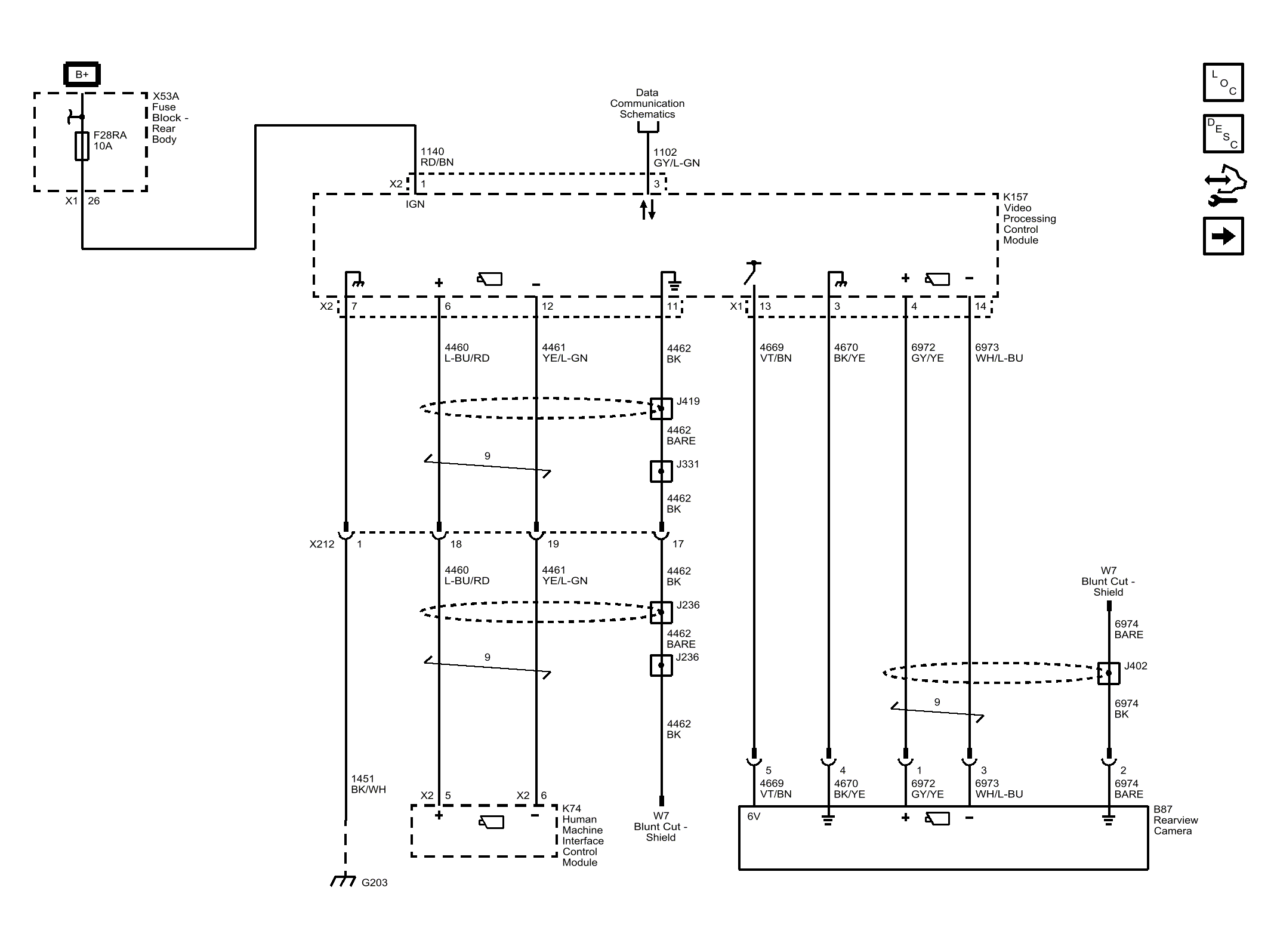
Curbview Vision - Power, Ground, Serial Data, and Rear Camera (UVJ)

Fig 1: Curbview Vision - Power, Ground, Serial Data, and Rear Camera (UVJ)
GM4425804Courtesy of GENERAL MOTORS COMPANY