LEMON Manuals: Even more car manuals for everyone: 1960-2025
Home >> Chevrolet >> 2017 >> Impala Premier, Gas >> Repair and Diagnosis >> Accessories & Equipment >> Anti-Theft Systems >> Keyless Entry System And Remote Functions >> Schematic Wiring Diagrams >> Remote Function Wiring Schematics >> Keyless Entry - Passive (ATH) and Passive Start (BTM)
April 5, 2026: LEMON Manuals is launched! Read the announcement.

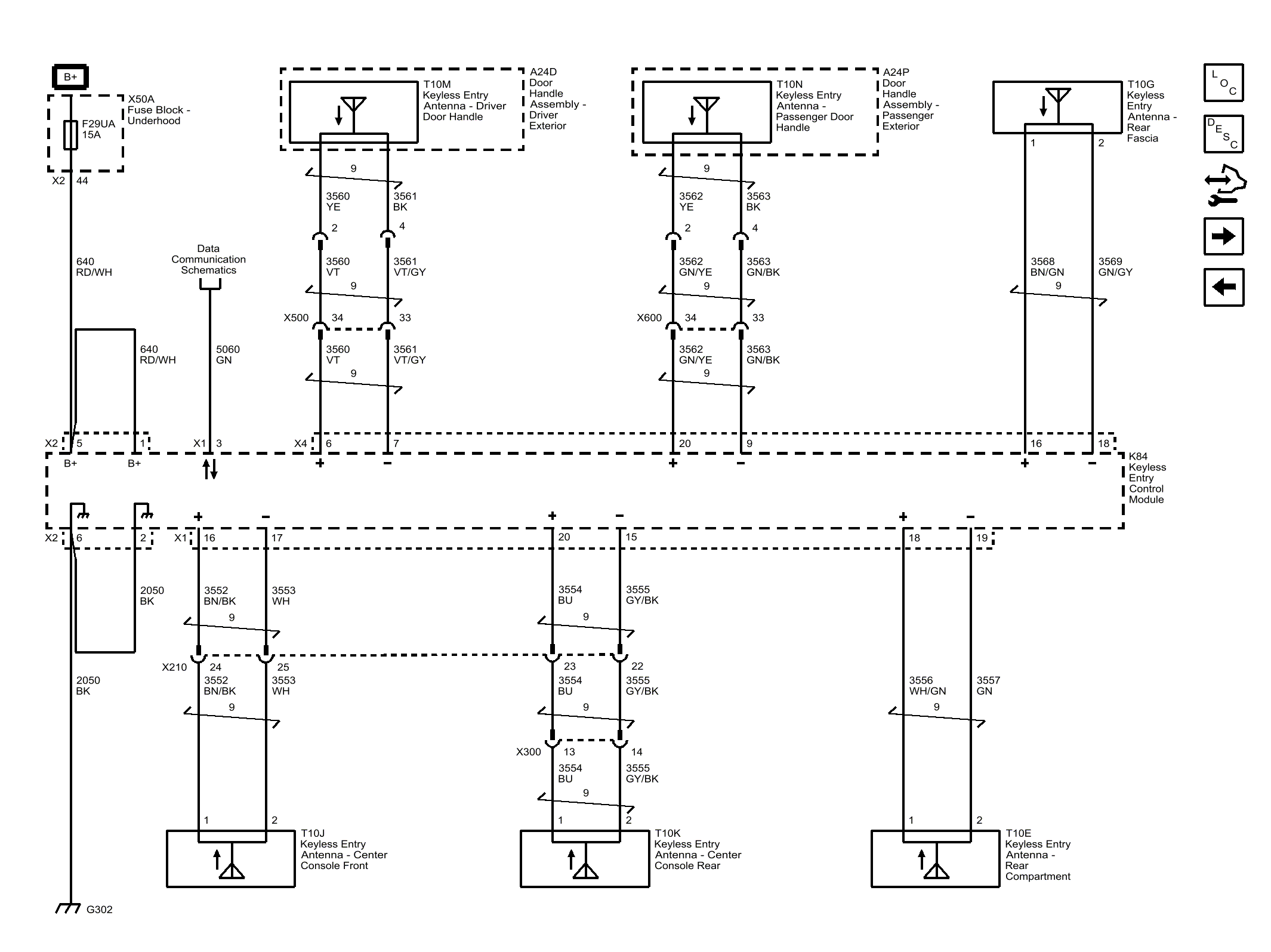
Keyless Entry - Passive (ATH) and Passive Start (BTM)

Fig 1: Keyless Entry - Passive (ATH) and Passive Start (BTM)
GM4356115Courtesy of GENERAL MOTORS COMPANY