LEMON Manuals: Even more car manuals for everyone: 1960-2025
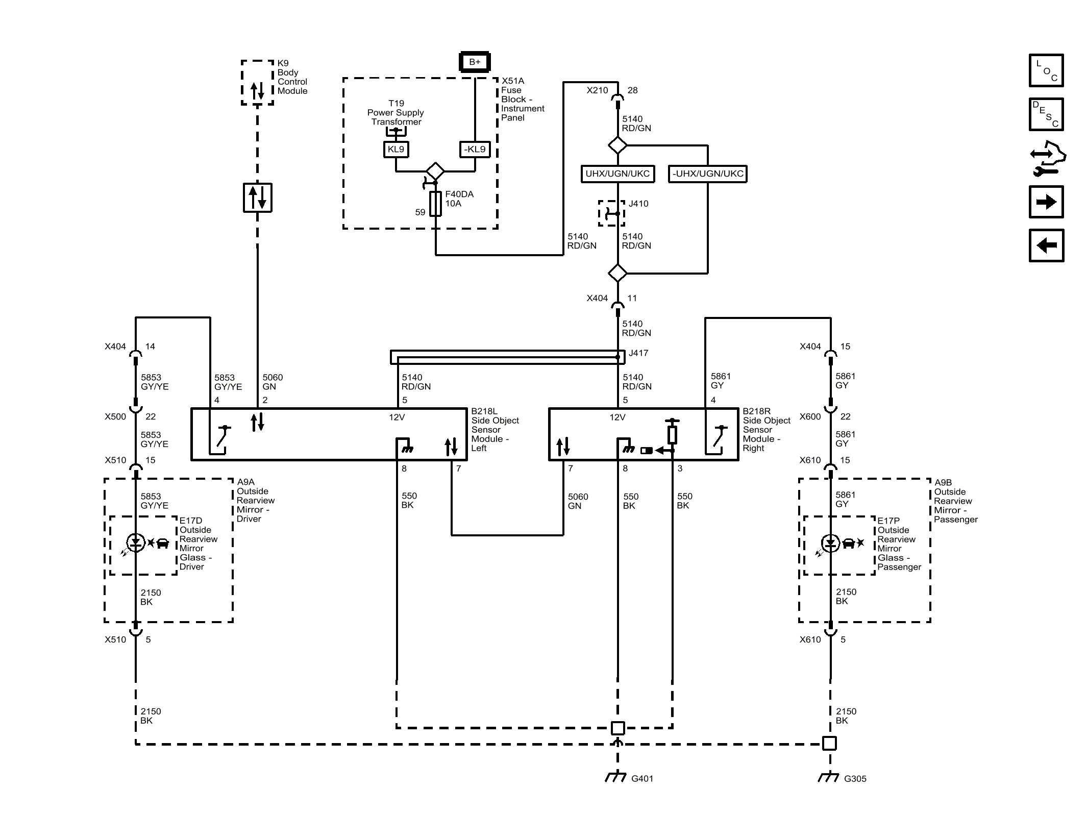
Home >> Chevrolet >> 2017 >> Malibu LS >> Repair and Diagnosis >> Accessories & Equipment >> Drivers Assistance Systems - ADAS >> Object Detection And Pedestrian Protection System >> Schematic Wiring Diagrams >> Object Detection Wiring Schematics >> Rear Cross Traffic Alert (UFG) and Side Object Detection (UKC)
April 5, 2026: LEMON Manuals is launched! Read the announcement.

Rear Cross Traffic Alert (UFG) and Side Object Detection (UKC)

Fig 1: Rear Cross Traffic Alert (UFG) and Side Object Detection (UKC)
GM4475507Courtesy of GENERAL MOTORS COMPANY