LEMON Manuals: Even more car manuals for everyone: 1960-2025
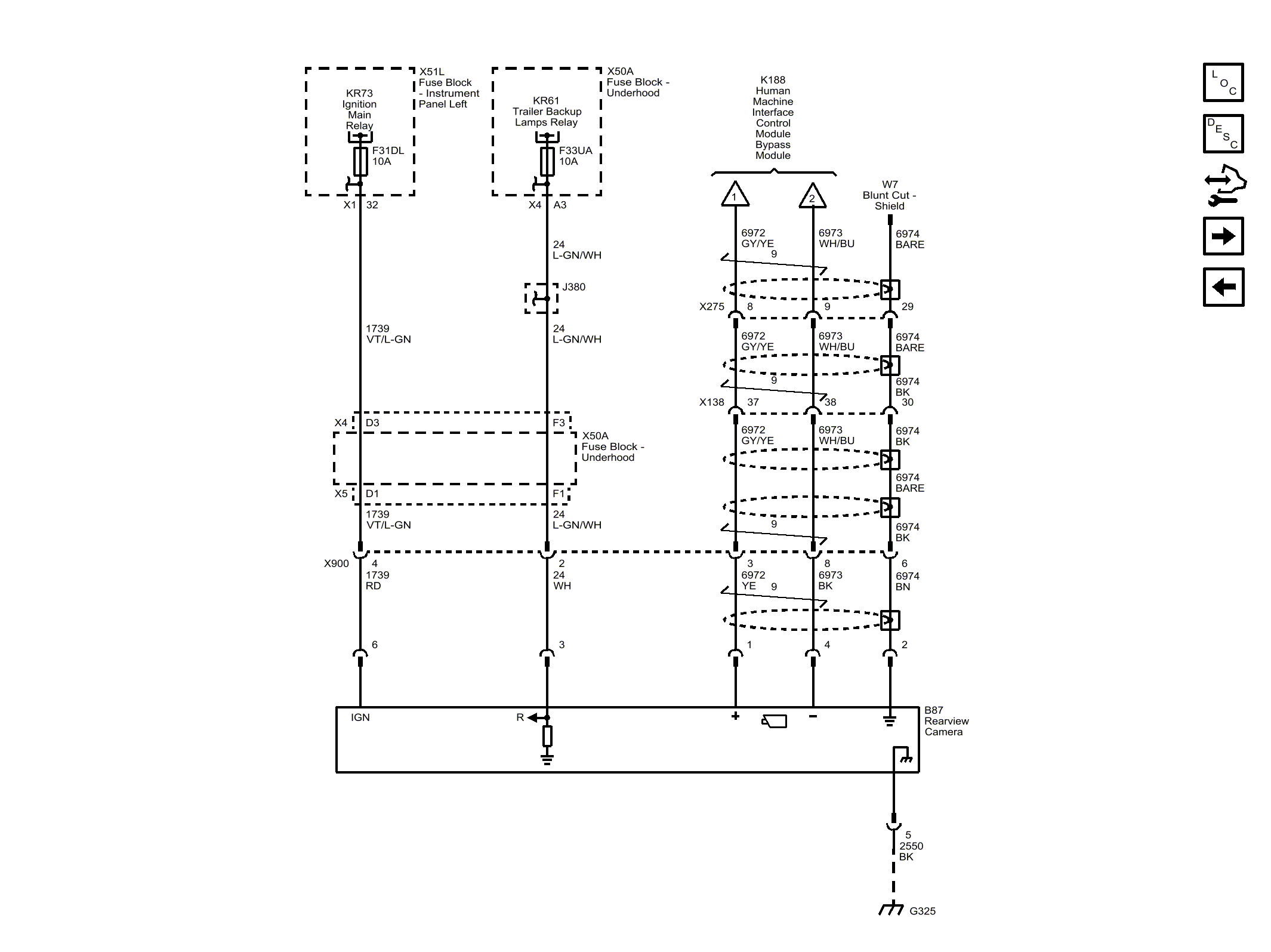
Home >> Chevrolet >> 2017 >> Silverado 1500 SSV, 4WD, Part Time T/Case Control, Gas >> Repair and Diagnosis >> Accessories & Equipment >> Drivers Assistance Systems - ADAS >> Object Detection System And Pedestrian Protection System >> Schematic Wiring Diagrams >> Object Detection Wiring Schematics >> Rearview Camera (UVC with IO5 or IO6) (1 of 2)
April 5, 2026: LEMON Manuals is launched! Read the announcement.

Rearview Camera (UVC with IO5 or IO6) (1 of 2)

Fig 1: Rearview Camera (UVC with IO5 or IO6) (1 of 2)
GM4492086Courtesy of GENERAL MOTORS COMPANY