LEMON Manuals: Even more car manuals for everyone: 1960-2025
Home >> Chevrolet >> 2017 >> Sonic Premier, 4D Sedan, Automatic Trans >> Repair and Diagnosis >> Accessories & Equipment >> Drivers Assistance Systems - ADAS >> Object Detection System And Pedestrian Protection System >> Schematic Wiring Diagrams >> Object Detection Wiring Schematics >> Forward Collision and Lane Departure Power, Ground, Serial Data, and Collison Alert Indicators (UEU/UFL)
April 5, 2026: LEMON Manuals is launched! Read the announcement.

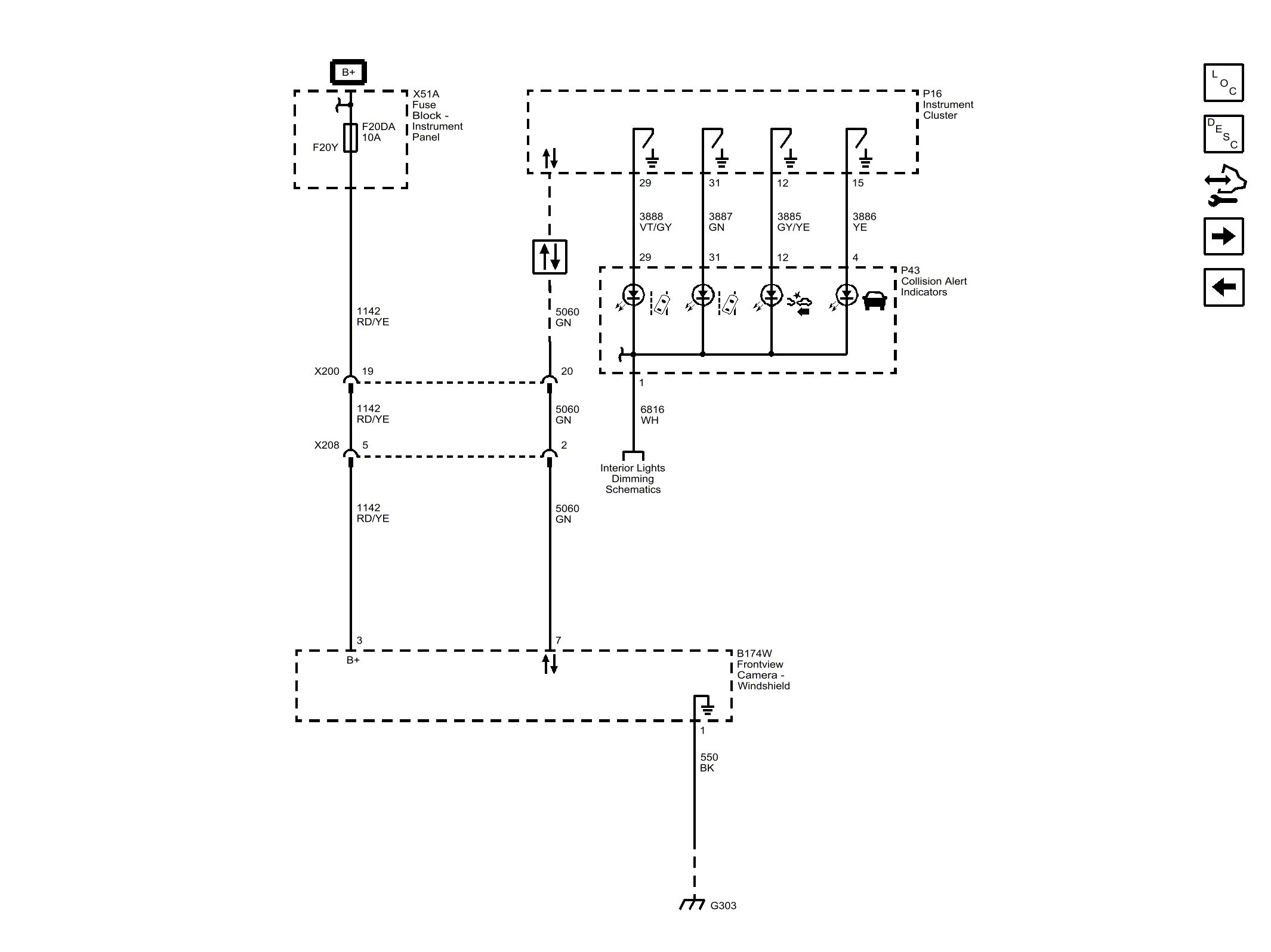
Forward Collision and Lane Departure Power, Ground, Serial Data, and Collison Alert Indicators (UEU/UFL)

Fig 1: Forward Collision and Lane Departure Power, Ground, Serial Data, and Collison Alert Indicators Wiring Schematics (UEU/UFL)
GM4563977Courtesy of GENERAL MOTORS COMPANY