LEMON Manuals: Even more car manuals for everyone: 1960-2025
Home >> Chevrolet >> 2017 >> Sonic Premier, 4D Sedan, Automatic Trans >> Repair and Diagnosis >> Accessories & Equipment >> Drivers Assistance Systems - ADAS >> Object Detection System And Pedestrian Protection System >> Schematic Wiring Diagrams >> Object Detection Wiring Schematics >> Front Park Assist and Ultrasonic Blindspot Detection (UDQ)
April 5, 2026: LEMON Manuals is launched! Read the announcement.

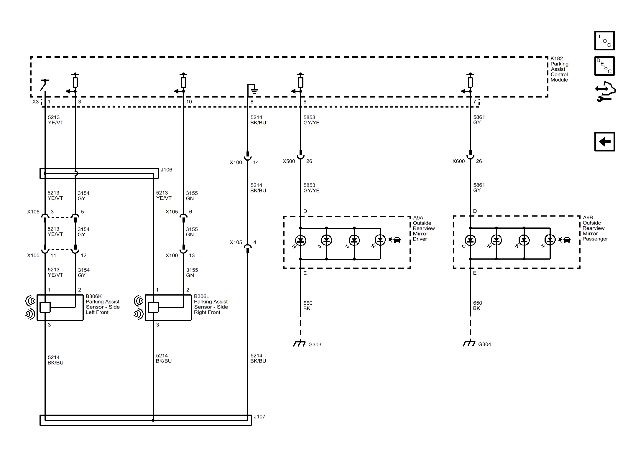
Front Park Assist and Ultrasonic Blindspot Detection (UDQ)

Fig 1: Front Park Assist and Ultrasonic Blindspot Detection Wiring Schematic (UDQ)
GM4448011Courtesy of GENERAL MOTORS COMPANY