LEMON Manuals: Even more car manuals for everyone: 1960-2025
Home >> Chevrolet >> 2017 >> Spark LS, Standard Trans >> Repair and Diagnosis >> External Pages >> Different car >> Section 34 (Cellular System, Entertainment System, And Navigation System) >> Schematic and Wiring Diagrams >> Radio/Navigation System Wiring Schematics >> Power, Ground and Serial Data
April 5, 2026: LEMON Manuals is launched! Read the announcement.

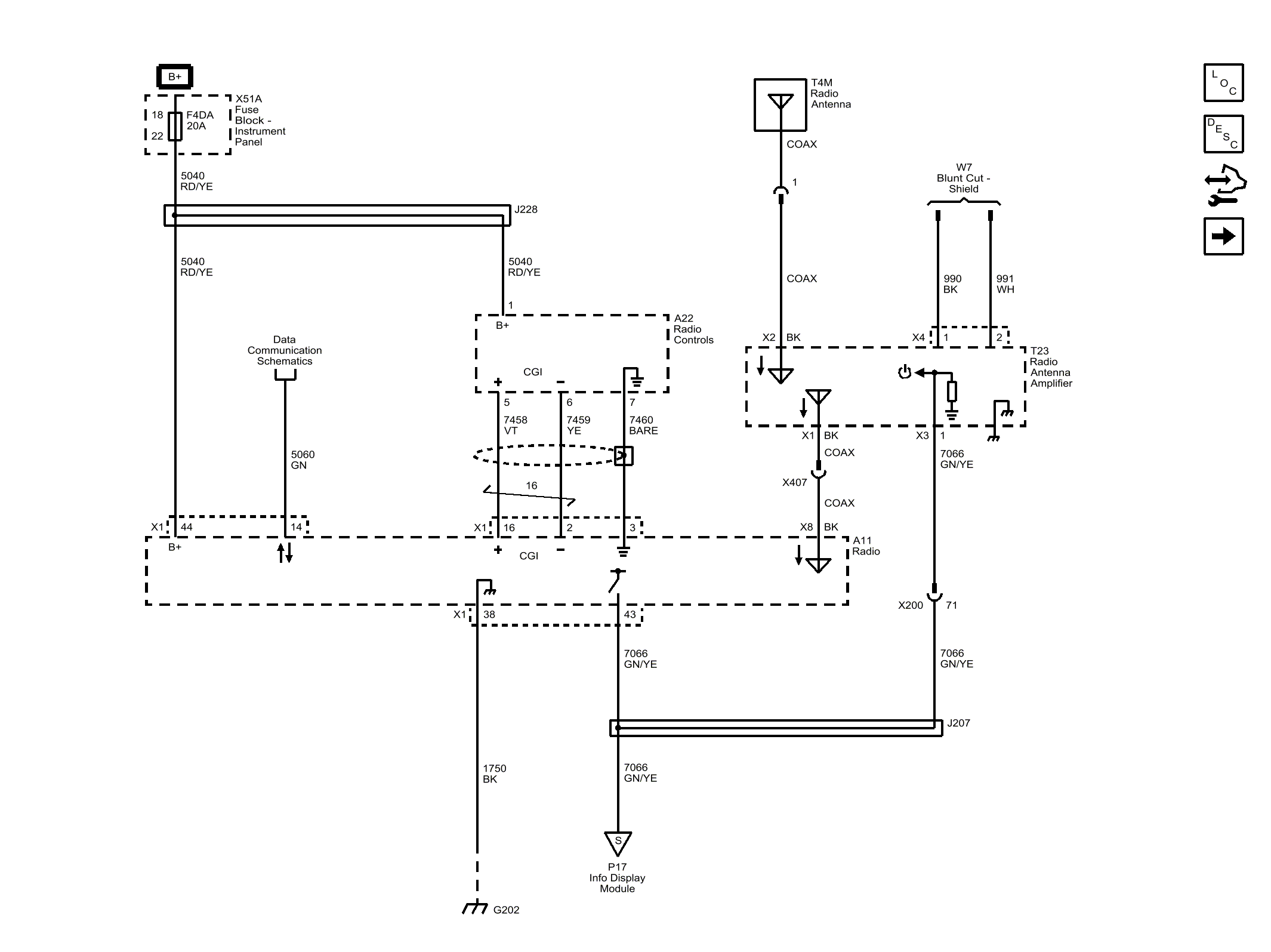
Power, Ground and Serial Data

WARNING: This page is about a different car, the 2019 Buick Cascada, 2018 Buick Cascada, and 2017 Buick Cascada. However, it is still accessible from the selected car via links, so may be relevant.
GM4890116