LEMON Manuals: Even more car manuals for everyone: 1960-2025
Home >> Chevrolet >> 2017 >> Traverse Premier, FWD >> Repair and Diagnosis >> Accessories & Equipment >> Drivers Assistance Systems - ADAS >> Object Detection System And Pedestrian Protection System >> Schematic Wiring Diagrams >> Object Detection Wiring Schematics >> Lane Departure Warning and Forward Collision Alert (UVF)
April 5, 2026: LEMON Manuals is launched! Read the announcement.

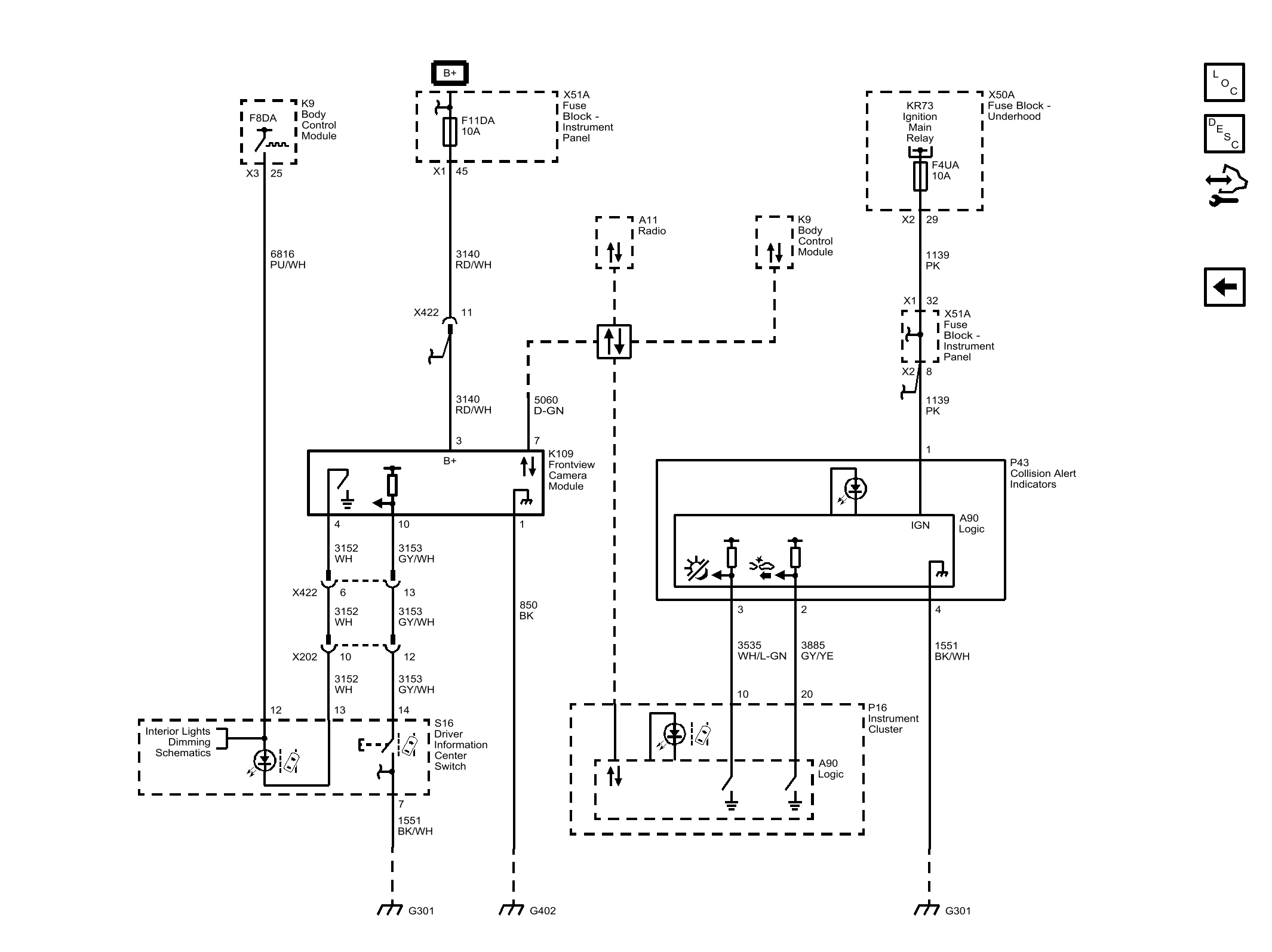
Lane Departure Warning and Forward Collision Alert (UVF)

Fig 1: Lane Departure Warning and Forward Collision Alert (UVF)
GM4406442Courtesy of GENERAL MOTORS COMPANY