LEMON Manuals: Even more car manuals for everyone: 1960-2025
Home >> Chevrolet >> 2017 >> Trax Premier, AWD >> Repair and Diagnosis >> Accessories & Equipment >> Drivers Assistance Systems - ADAS >> Object Detection System And Pedestrian Protection System >> Schematic Wiring Diagrams >> Object Detection Wiring Schematics (Buick) >> Forward Collision Alert (Buick with UEU)
April 5, 2026: LEMON Manuals is launched! Read the announcement.

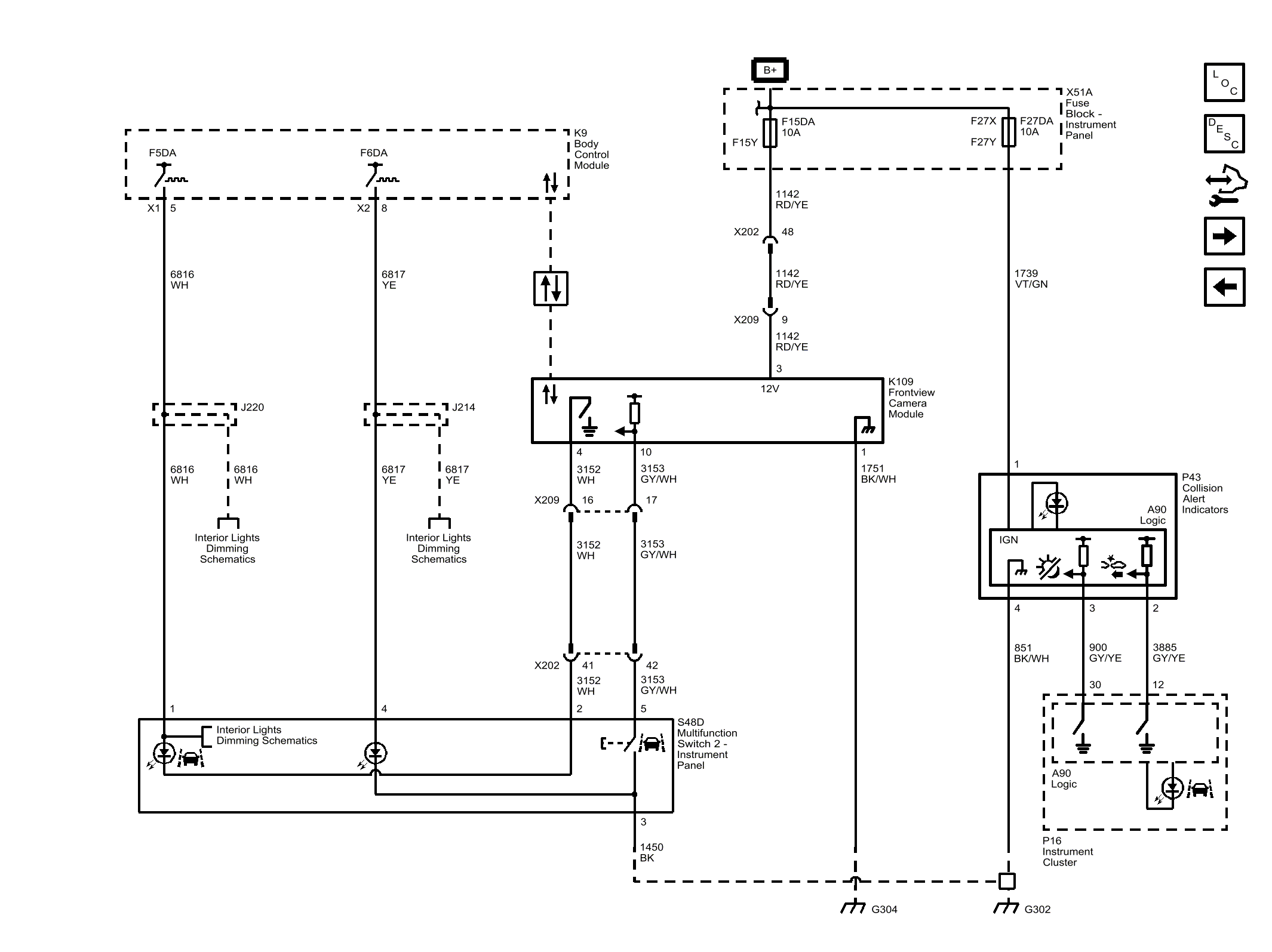
Forward Collision Alert (Buick with UEU)

Fig 1: Forward Collision Alert (Buick with UEU)
GM4517415Courtesy of GENERAL MOTORS COMPANY