LEMON Manuals: Even more car manuals for everyone: 1960-2025
Home >> Chevrolet >> 2018 >> Sonic Premier, 4D Hatchback, Automatic Trans >> Repair and Diagnosis >> Engine Performance >> System >> Data Communication System >> Schematic Wiring Diagrams >> Data Communication Wiring Schematics >> Serial Data Gateway Module and Data Link Connector Power and Ground
April 5, 2026: LEMON Manuals is launched! Read the announcement.

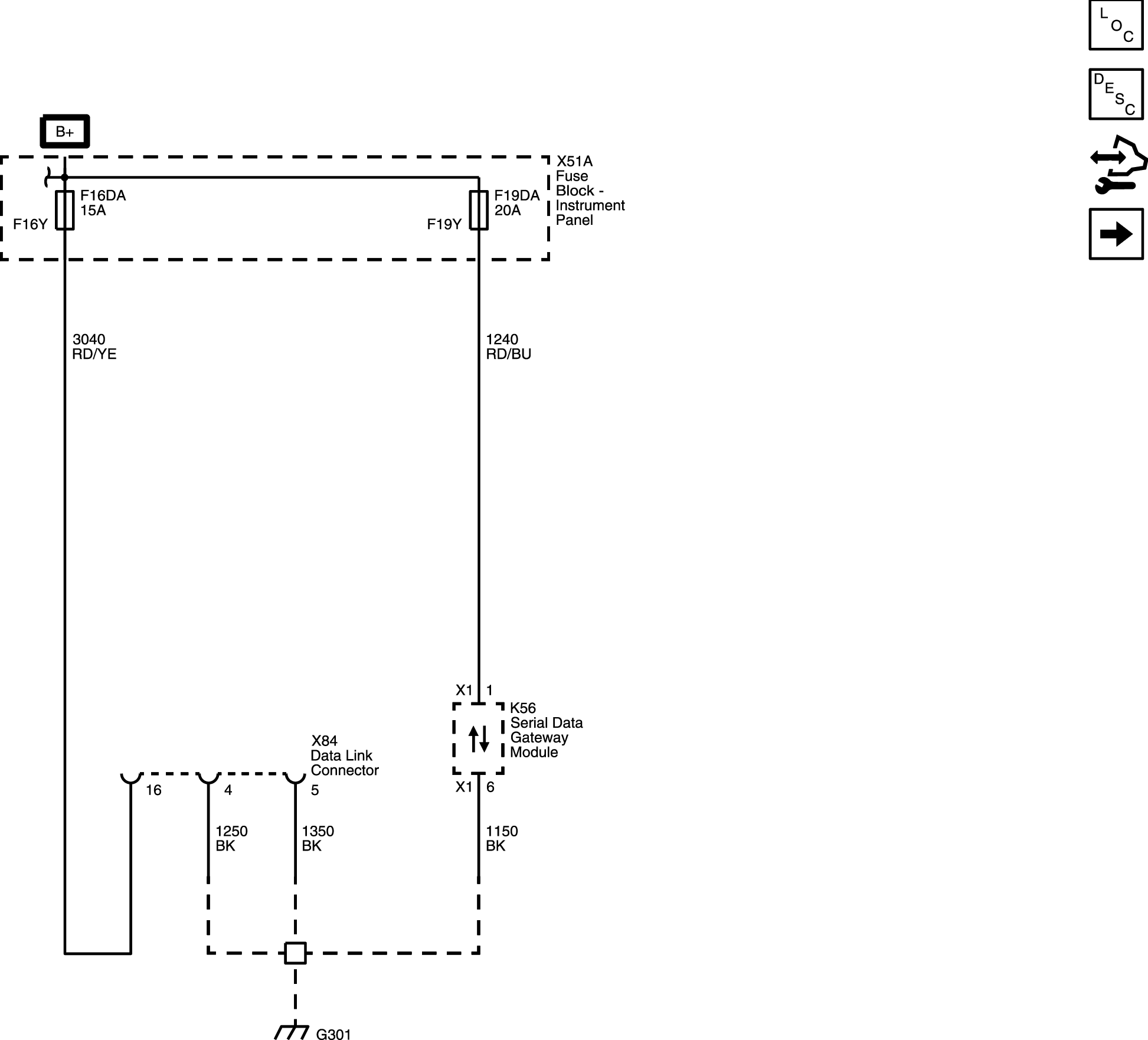
Serial Data Gateway Module and Data Link Connector Power and Ground

GM4710544Courtesy of GENERAL MOTORS COMPANY