LEMON Manuals: Even more car manuals for everyone: 1960-2025
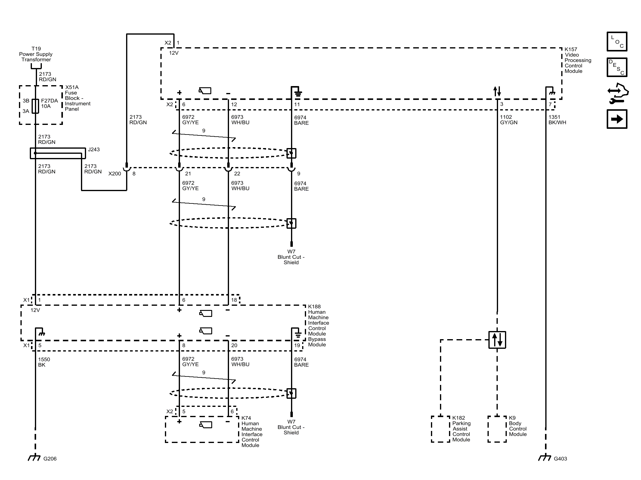
Home >> Chevrolet >> 2018 >> Traverse L >> Repair and Diagnosis >> Accessories & Equipment >> Drivers Assistance Systems - ADAS >> Image Display Camera System >> Schematic Wiring Diagrams >> Image Display Camera Wiring Schematics >> 360 Degree Vision - Module Power, Ground, Serial Data, and Camera Signals (UVH without UDA/UE3/UI3)
April 5, 2026: LEMON Manuals is launched! Read the announcement.

360 Degree Vision - Module Power, Ground, Serial Data, and Camera Signals (UVH without UDA/UE3/UI3)

GM4750949