LEMON Manuals: Even more car manuals for everyone: 1960-2025
Home >> Chevrolet >> 2018 >> Traverse L >> Repair and Diagnosis >> Accessories & Equipment >> Entertainment Systems >> Cellular System, Entertainment System, And Navigation System >> Schematic Wiring Diagrams >> Radio/Navigation System Wiring Schematics >> Auxiliary Inputs (IO5/IO6)
April 5, 2026: LEMON Manuals is launched! Read the announcement.

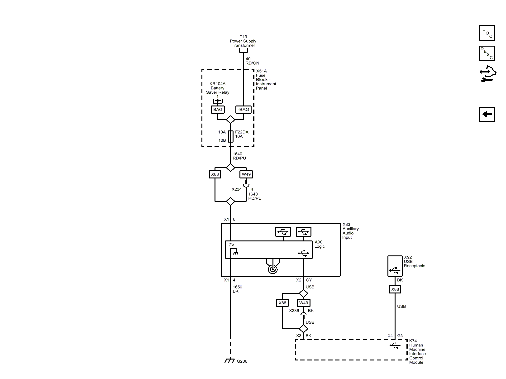
Auxiliary Inputs (IO5/IO6)

GM4744705