LEMON Manuals: Even more car manuals for everyone: 1960-2025
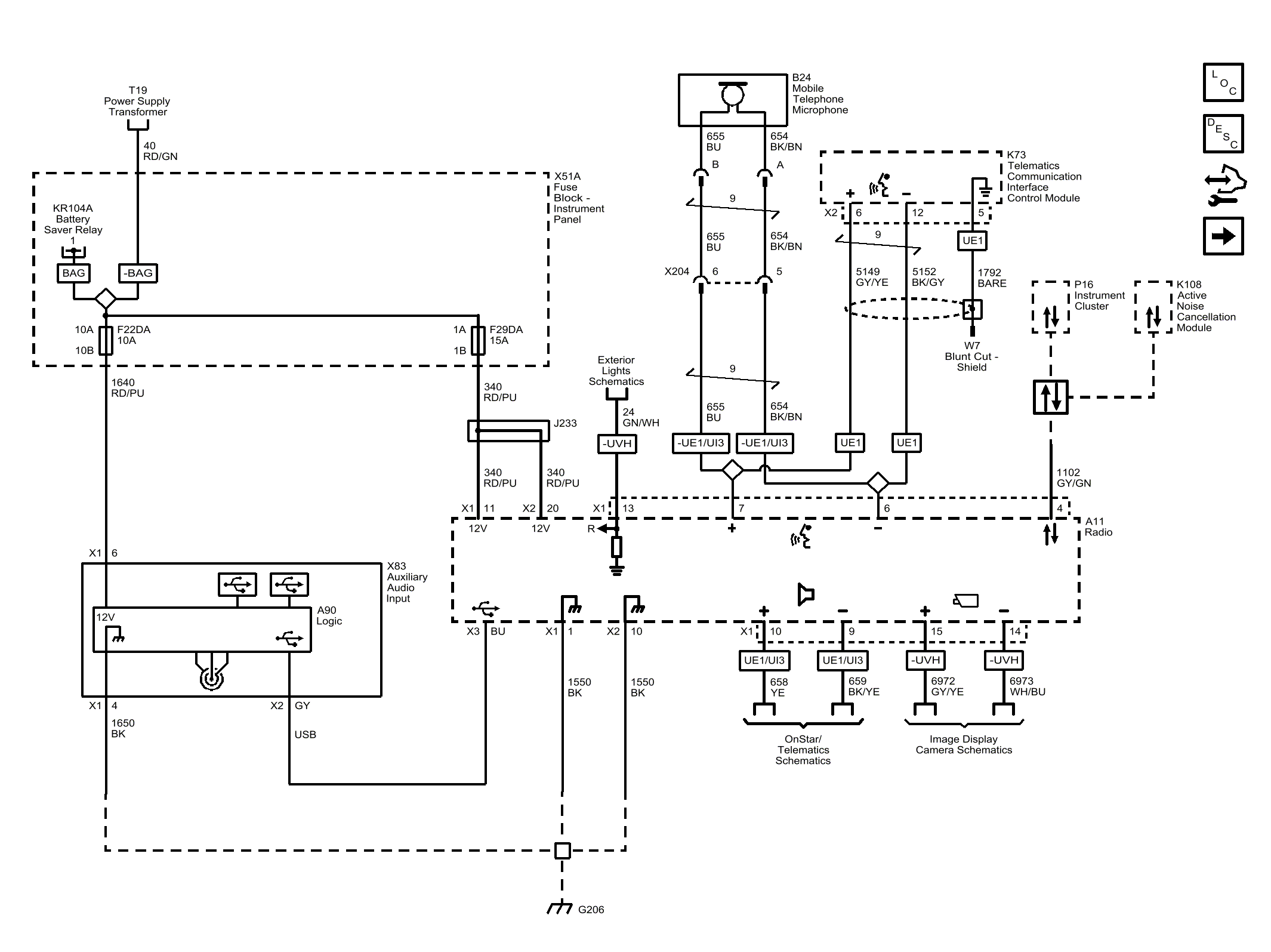
Home >> Chevrolet >> 2018 >> Traverse L >> Repair and Diagnosis >> Accessories & Equipment >> Entertainment Systems >> Cellular System, Entertainment System, And Navigation System >> Schematic Wiring Diagrams >> Radio/Navigation System Wiring Schematics >> Radio Power, Ground Serial Data, Audio Inputs and References (IOA)
April 5, 2026: LEMON Manuals is launched! Read the announcement.

Radio Power, Ground Serial Data, Audio Inputs and References (IOA)

GM4744680