LEMON Manuals: Even more car manuals for everyone: 1960-2025
Home >> Chevrolet >> 2018 >> Traverse L >> Repair and Diagnosis >> External Pages >> Different car >> Section 16 (Cellular, Entertainment, And Navigation System) >> Schematic Wiring Diagrams >> Radio/Navigation System Wiring Schematics >> Human Machine Interface and Display, Power, Ground, Serial Data and Microphone (IO5 or IO6)
April 5, 2026: LEMON Manuals is launched! Read the announcement.

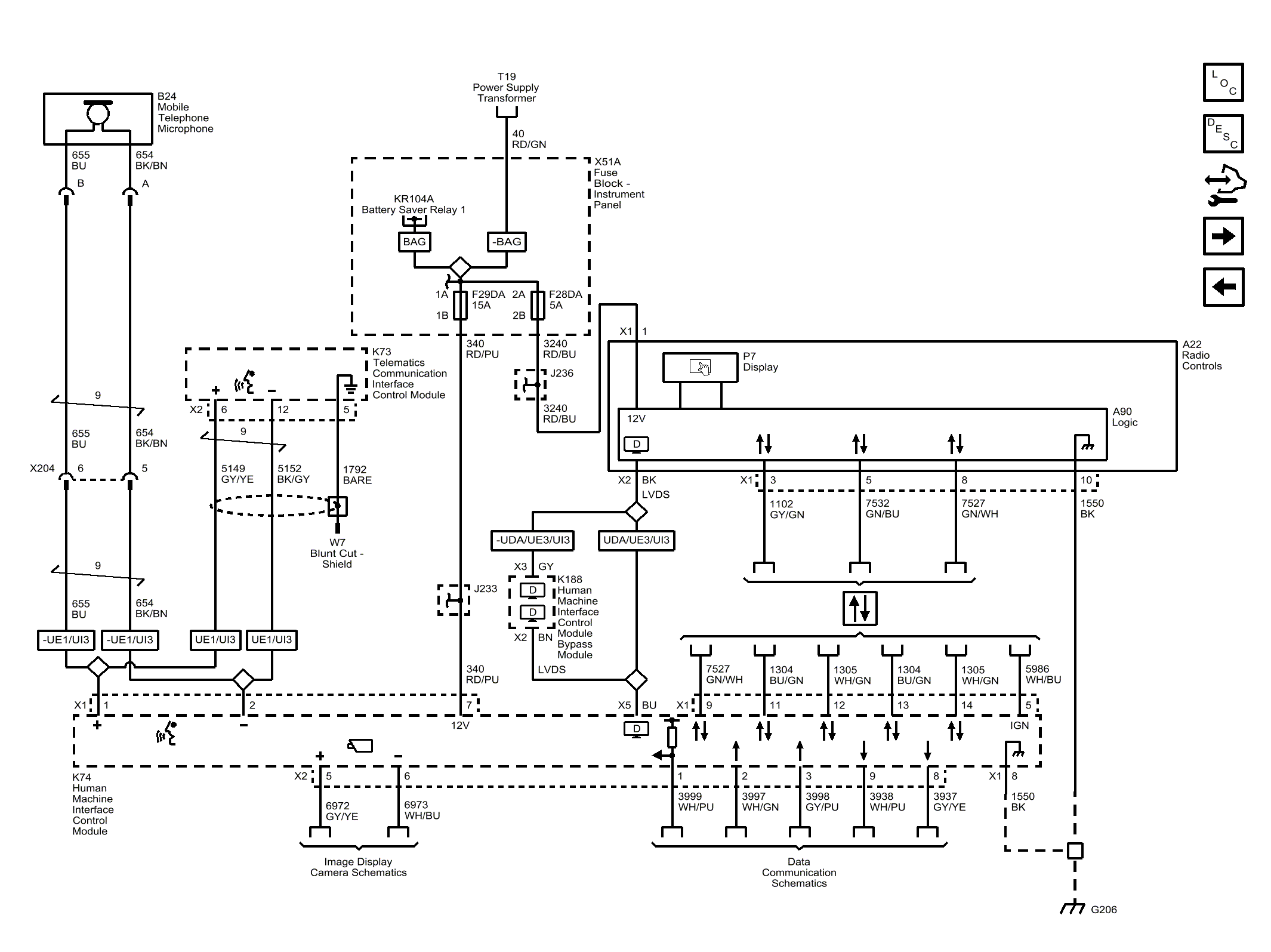
Human Machine Interface and Display, Power, Ground, Serial Data and Microphone (IO5 or IO6)

WARNING: This page is about a different car, the 2019 Chevrolet Traverse. However, it is still accessible from the selected car via links, so may be relevant.
GM4919586Courtesy of GENERAL MOTORS COMPANY