LEMON Manuals: Even more car manuals for everyone: 1960-2025
Home >> Chevrolet >> 2018 >> Traverse Premier, FWD >> Repair and Diagnosis >> Accessories & Equipment >> Memory Modules >> Secondary And Configurable Customer Control System >> Schematic Wiring Diagrams >> Steering Wheel Secondary/Configurable Control Wiring Schematics >> Ride Mode Controls (X88)
April 5, 2026: LEMON Manuals is launched! Read the announcement.

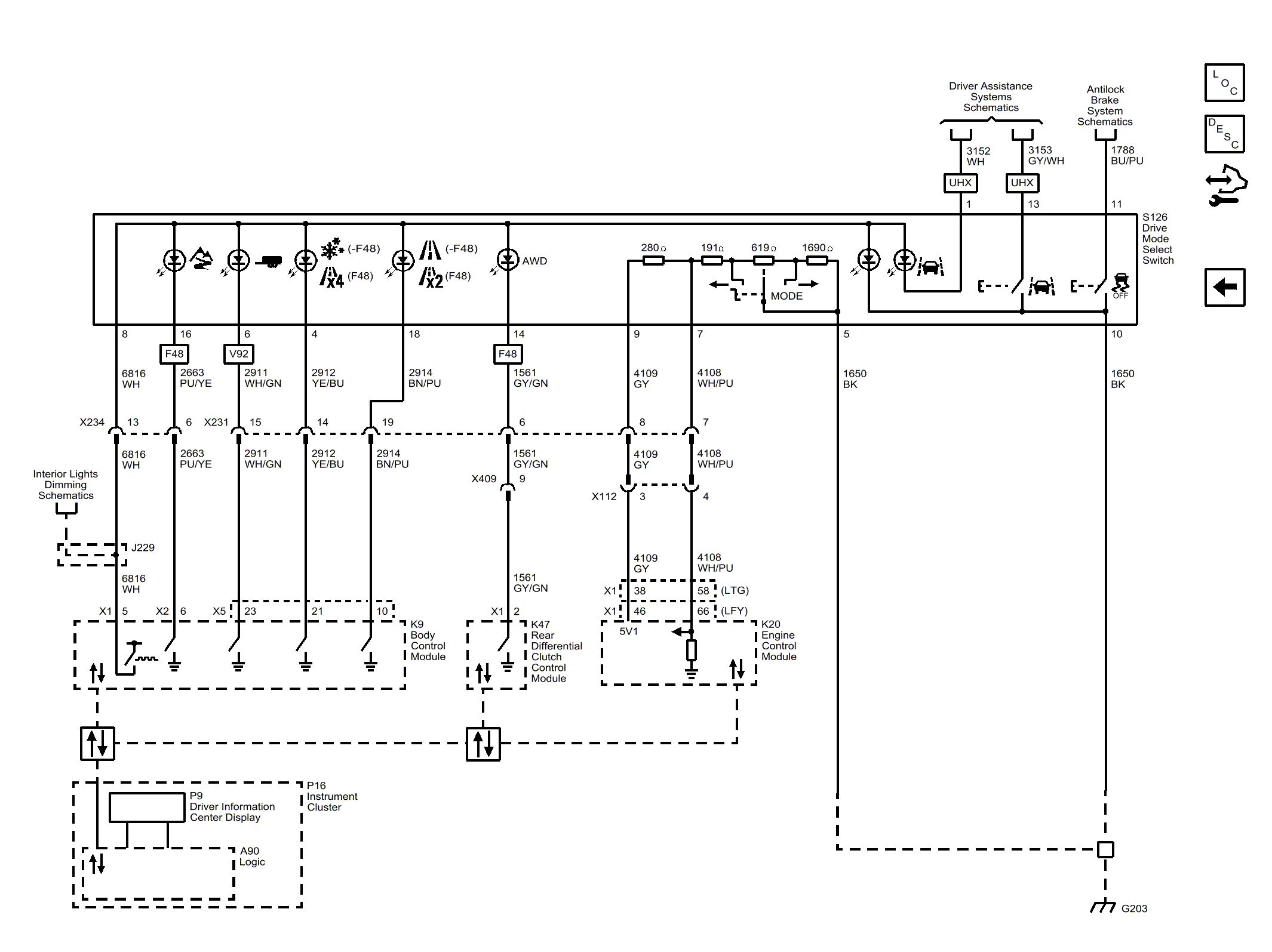
Ride Mode Controls (X88)

GM4775783