LEMON Manuals: Even more car manuals for everyone: 1960-2025
Home >> Chevrolet >> 2019 >> Bolt EV Premier >> Repair and Diagnosis >> External Pages >> Different car >> Section 1 (Cellular System, Entertainment System, And Navigation System) >> Schematic Wiring Diagrams >> Radio/Navigation System Wiring Schematics >> Radio Power, Ground, Data and Microphone
April 5, 2026: LEMON Manuals is launched! Read the announcement.

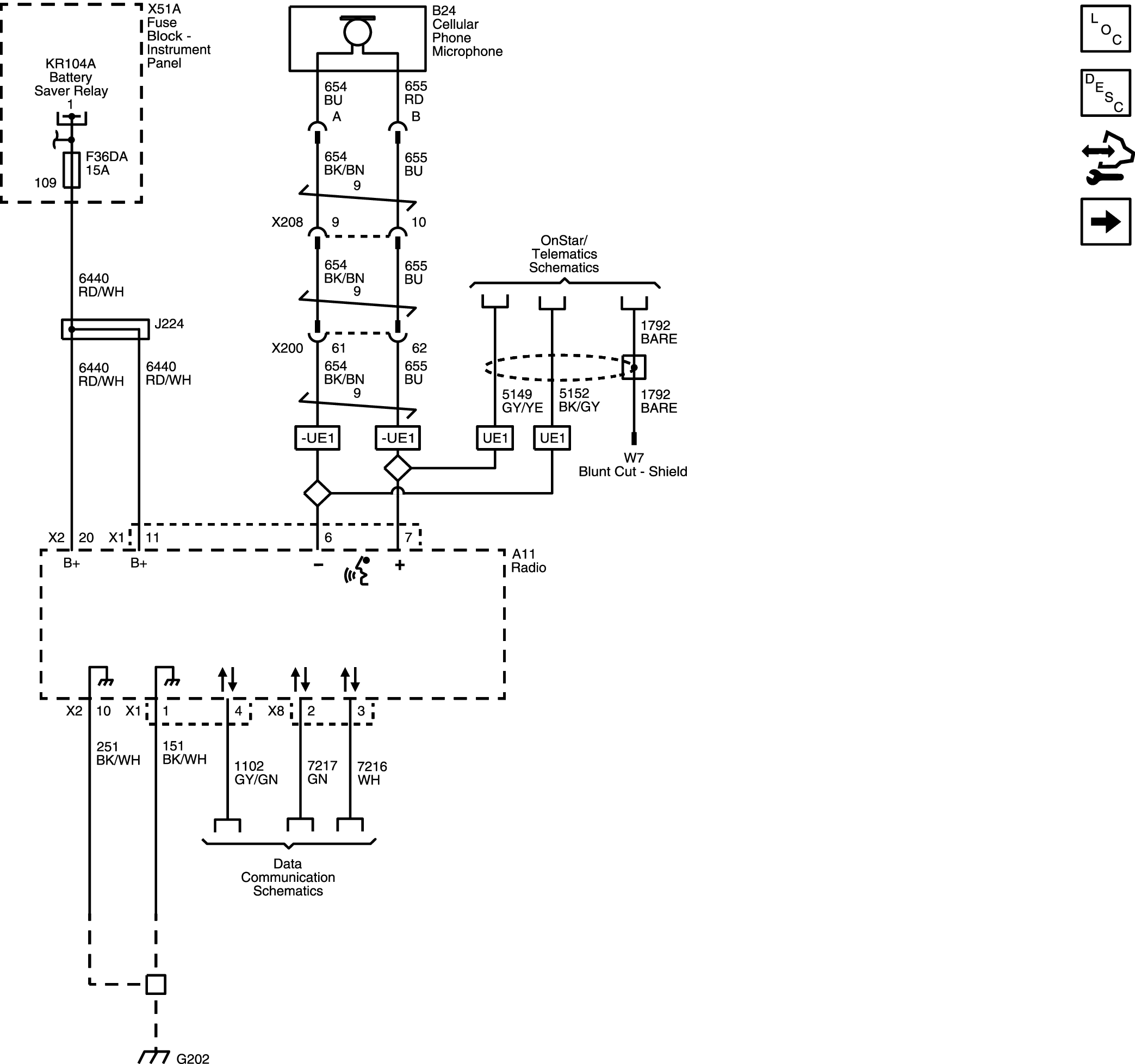
Radio Power, Ground, Data and Microphone

WARNING: This page is about a different car, the 2018 Chevrolet Bolt EV. However, it is still accessible from the selected car via links, so may be relevant.
GM4810938Courtesy of GENERAL MOTORS COMPANY