LEMON Manuals: Even more car manuals for everyone: 1960-2025
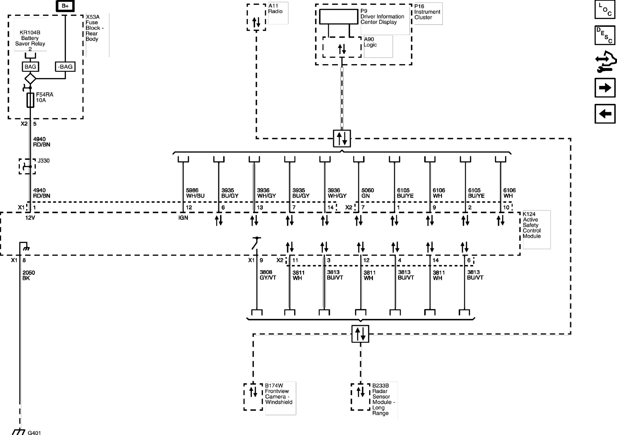
Home >> Chevrolet >> 2020 >> Traverse L >> Repair and Diagnosis >> Accessories & Equipment >> Drivers Assistance Systems - ADAS >> Driver Assistance Systems >> Schematic Wiring Diagrams >> Driver Assistance Systems Wiring Schematics >> Collision Avoidance - Module Power, Ground, and Serial Data (UGN)
April 5, 2026: LEMON Manuals is launched! Read the announcement.

Collision Avoidance - Module Power, Ground, and Serial Data (UGN)

GM5210235Courtesy of GENERAL MOTORS COMPANY