LEMON Manuals: Even more car manuals for everyone: 1960-2025
Home >> Chevrolet >> 2021 >> Traverse LS, FWD >> Repair and Diagnosis >> External Pages >> Different car >> Section 47 (Cellular, Entertainment, And Navigation System) >> Schematic Wiring Diagrams >> Radio/Navigation System Wiring Schematics >> Radio Control Power, Ground, Serial Data and Microphone
April 5, 2026: LEMON Manuals is launched! Read the announcement.

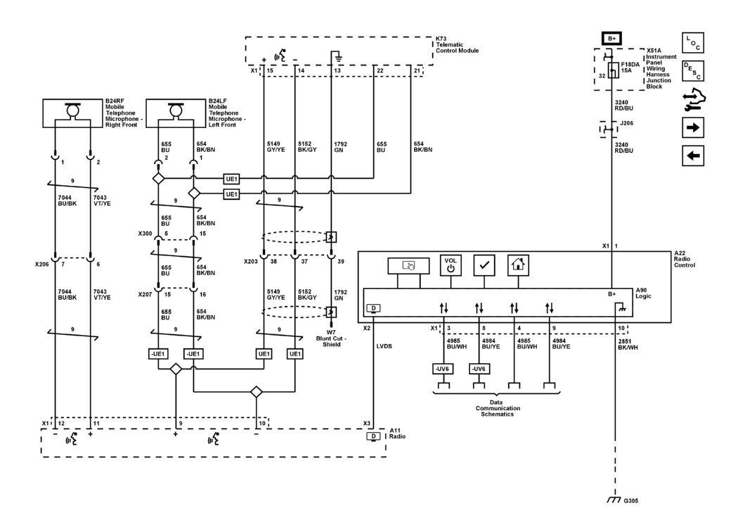
Radio Control Power, Ground, Serial Data and Microphone

WARNING: This page is about a different car, the 2020 Cadillac CT4. However, it is still accessible from the selected car via links, so may be relevant.
GM5391861Courtesy of GENERAL MOTORS COMPANY