LEMON Manuals: Even more car manuals for everyone: 1960-2025
Home >> Chevrolet >> 2025 >> Trailblazer ACTIV, FWD >> Repair and Diagnosis >> Transmission >> Automatic Trans >> Shift Lock Control System >> Schematic Wiring Diagrams >> Shift Lock Control Wiring Schematics >> Shift Lock Control
April 5, 2026: LEMON Manuals is launched! Read the announcement.

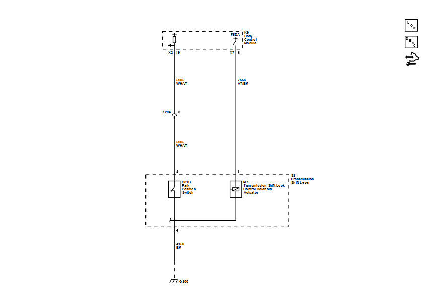
Shift Lock Control

GM6455780Courtesy of GENERAL MOTORS COMPANY