LEMON Manuals: Even more car manuals for everyone: 1960-2025
Home >> Chevrolet >> 2025 >> Traverse Z71 >> Repair and Diagnosis (Single Page) >> Accessories & Equipment >> Drivers Assistance Systems - ADAS >> Driver Assistance Systems - Schematic Wiring Diagrams >> Schematic Wiring Diagrams >> Driver Assistance Systems Wiring Schematics >> Vehicle Dynamic Sensor and Image Processing Module Power, Ground, Serial Data, and References (UKL)
April 5, 2026: LEMON Manuals is launched! Read the announcement.

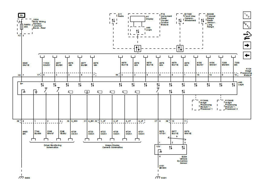
Vehicle Dynamic Sensor and Image Processing Module Power, Ground, Serial Data, and References (UKL)

GM6522659Courtesy of GENERAL MOTORS COMPANY