LEMON Manuals: Even more car manuals for everyone: 1960-2025
Home >> Chrysler >> 1983 >> E Class 2.2 C >> Repair and Diagnosis >> Engine Performance >> Ignition System - Except 2.6L >> Description
April 5, 2026: LEMON Manuals is launched! Read the announcement.

Ignition System - Except 2.6L: Description

NOTE: The distributor used on the 2.2L EFI engine is the same as that used on the 1.6L, 1.7L and 2.2L engines. Information other than the system wiring diagram is not available from manufacturer for the 2.2L EFI distributor.
Fig 1: Wiring Diagram of Hall Effect ESC System Used on 2.2L EFI engine.
G1906

The Electronic Spark Control system used on Chrysler Corp. front wheel drive vehicles with 1.6L, 1.7L and 2.2L engines features a Hall Effect distributor and a spark control computer.

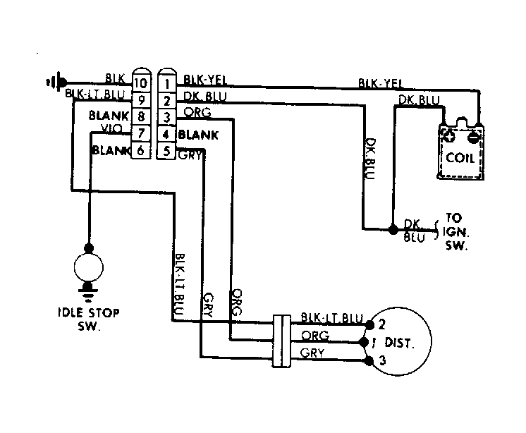
Fig 2: Wiring Diagram of Hall Effect ESC System Used on 1.6L, 1.7L and non-EFI 2.2L engines.
G677

The computer is really the heart of the system, providing capability of igniting a lean air/fuel mixture according to different modes of engine operation. It provides an infinite number of variable advance curves.

The computer contains an electronic printed circuit board, which simultaneously receives signals from various engine sensors, analyzes them to determine how the engine is operating and then advances or retards ignition timing.

The computer determines the exact instant when ignition is required, and then signals the ignition coil to produce the electrical impulses that fire the spark plugs. The computer is located on the fenderwell, near the battery.

The computer is connected to other fuel/ignition components by a 10-wire dual connector. Five engine sensors feed information to the computer. These include a vacuum transducer, mounted on the computer housing, the Hall Effect pick-up assembly in the distributor, an engine coolant temperature sensor, a carburetor switch, and an oxygen sensor.

The computer used with the spark control system eliminates need for either vacuum advance units or centrifugal advance weights. The Hall Effect distributor is connected to the rest of the system by a 3-terminal connector. See Fig 3. It sends small alternating current signals to the computer as rotor shutter blades enter and leave the gap in the Hall Effect switching unit pick-up assembly.

Fig 3: Components of Hall Effect Distributor for ESC System
G678

The carburetor switch reports when the engine is at idle. The coolant temperature switch or sensor keeps the computer informed on engine operating temperatures. The vacuum transducer informs the computer of engine manifold vacuum.