LEMON Manuals: Even more car manuals for everyone: 1960-2025
Home >> Chrysler >> 1992 >> Imperial >> Repair and Diagnosis >> Engine Performance >> System >> Engine Controls - Tests W/Codes - Body Control Computer >> Connector Identification
April 5, 2026: LEMON Manuals is launched! Read the announcement.

Connector Identification

NOTE: For terminal identification of body control system connectors, see Fig 1-Fig 26 .
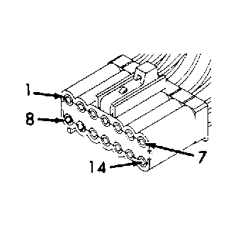
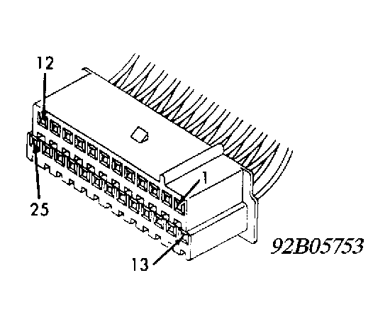
Fig 1: Body Controller Connector Terminal ID (Black Connector)
G92B05753Courtesy of CHRYSLER LLC
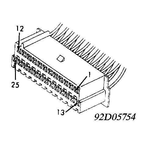
Fig 2: Body Controller Connector Terminal ID (Natural or Red Conn.)
G92D05754Courtesy of CHRYSLER LLC
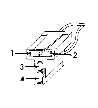
Fig 3: Brakelight Bulb Socket Terminal ID
G92G05755Courtesy of CHRYSLER LLC
Fig 4: Brakelight Switch & EVIC Connector Terminal ID
G92I05756Courtesy of CHRYSLER LLC
Fig 5: CCD Bus Diagnostic Connector Terminal ID
G92A05757Courtesy of CHRYSLER LLC
Fig 6: Electronic Instrument Cluster Connector Terminal ID
G92E05759Courtesy of CHRYSLER LLC
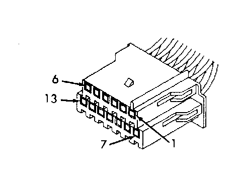
Fig 7: Engine Node Connector Terminal ID
G92I01522Courtesy of CHRYSLER LLC
Fig 8: Front Door Jamb Switch Connector Terminal ID
G92G05760Courtesy of CHRYSLER LLC
Fig 9: Headlight Door Relay Connector Terminal ID
G92C05763Courtesy of CHRYSLER LLC
Fig 10: Headlight Switch 4-Pin Connector Terminal ID
G92E05764Courtesy of CHRYSLER LLC
Fig 11: Headlight Switch 9-Pin Connector Terminal ID
G92H05765Courtesy of CHRYSLER LLC
Fig 12: Key In Light Connector Terminal ID
G92B05767Courtesy of CHRYSLER LLC
Fig 13: Left Body Connector Terminal ID
G92D05768Courtesy of CHRYSLER LLC
Fig 14: Light Outage Module 14-Pin Connector Terminal ID
G92H05770Courtesy of CHRYSLER LLC
Fig 15: Headlight Low Beam Connector Terminal ID
G92B05772Courtesy of CHRYSLER LLC
Fig 16: Mechanical Instrument Cluster Connector Terminal ID
G92D05773Courtesy of CHRYSLER LLC
Fig 17: Multifunction Switch Connector Terminal ID
G92F05774Courtesy of CHRYSLER LLC
Fig 18: Oil Pressure Switch/Sending Unit Connector Terminal ID
G92I05775Courtesy of CHRYSLER LLC
Fig 19: Rear Door Jamb Switch Connector Terminal ID
G92A05776Courtesy of CHRYSLER LLC
Fig 20: Remote Keyless Entry Module Connector Terminal ID
G92C05777Courtesy of CHRYSLER LLC
Fig 21: Seat Belt Switch Connector Terminal ID
G92G05779Courtesy of CHRYSLER LLC
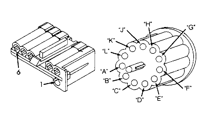
Fig 22: Single Board Engine Controller (SBEC) Connector Terminal ID
G92I05780Courtesy of CHRYSLER LLC
Fig 23: Traveler & Electronic Vehicle Information Center (EVIC) Connector Terminal ID
G92A05781Courtesy of CHRYSLER LLC
Fig 24: Trunk Ajar Switch Connector Terminal ID
G92C05782Courtesy of CHRYSLER LLC
Fig 25: Vehicle Theft Alarm Module Connector Terminal ID
G92E05783Courtesy of CHRYSLER LLC
Fig 26: Visual Message Center Connector Terminals
G92G05784Courtesy of CHRYSLER LLC