LEMON Manuals: Even more car manuals for everyone: 1960-2025
Home >> Chrysler >> 1993 >> Imperial >> Repair and Diagnosis >> Engine Performance >> System >> Engine Controls - Tests W/Codes - Body Control Computer >> Wiring Diagrams
April 5, 2026: LEMON Manuals is launched! Read the announcement.

Wiring Diagrams

Fig 1: PCM Wiring Diagram - 1 Of 2 (2.5L TBI - Dynasty)
G93I41770
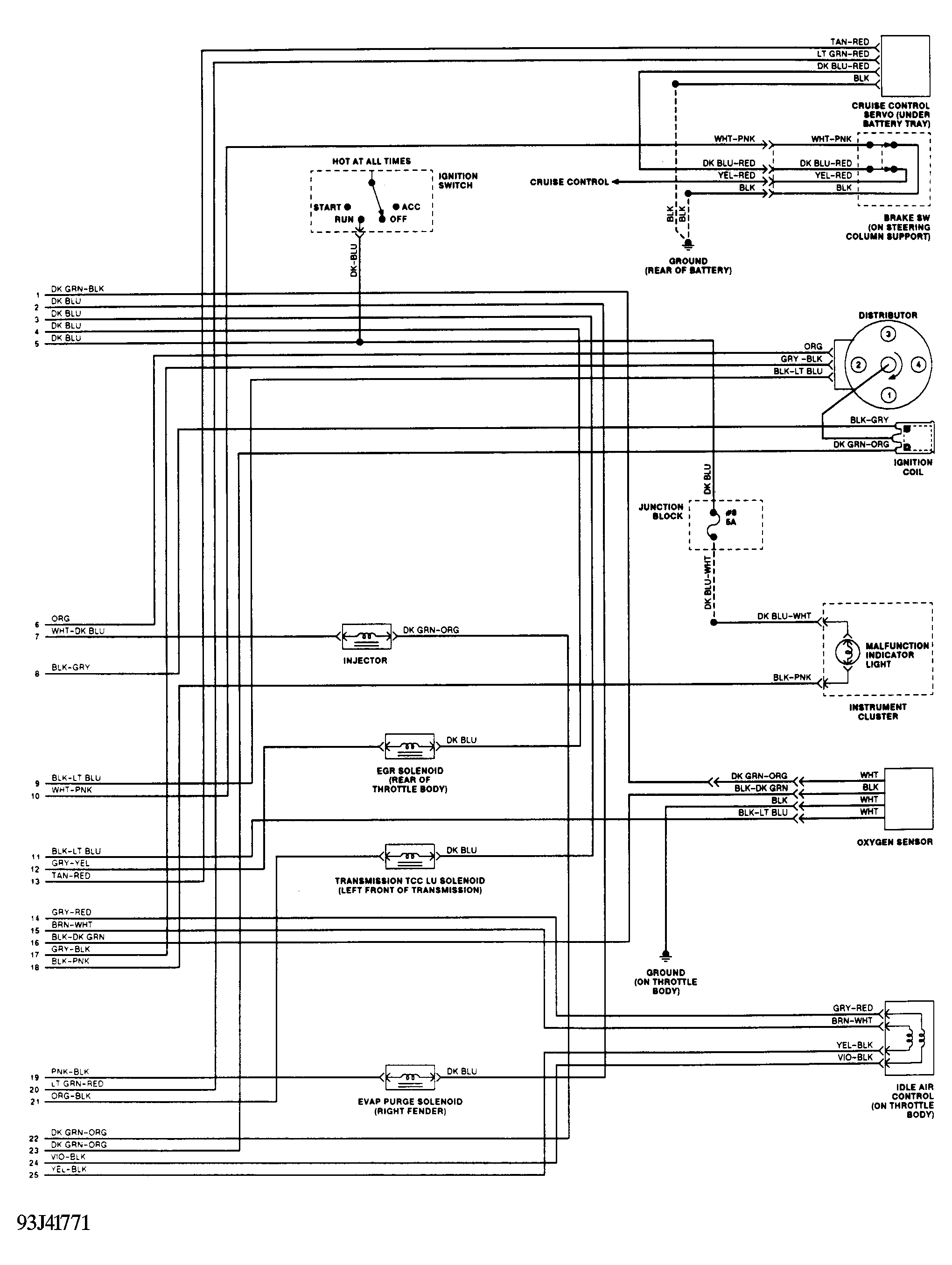
Fig 2: PCM Wiring Diagram - 2 Of 2 (2.5L TBI - Dynasty)
G93J41771
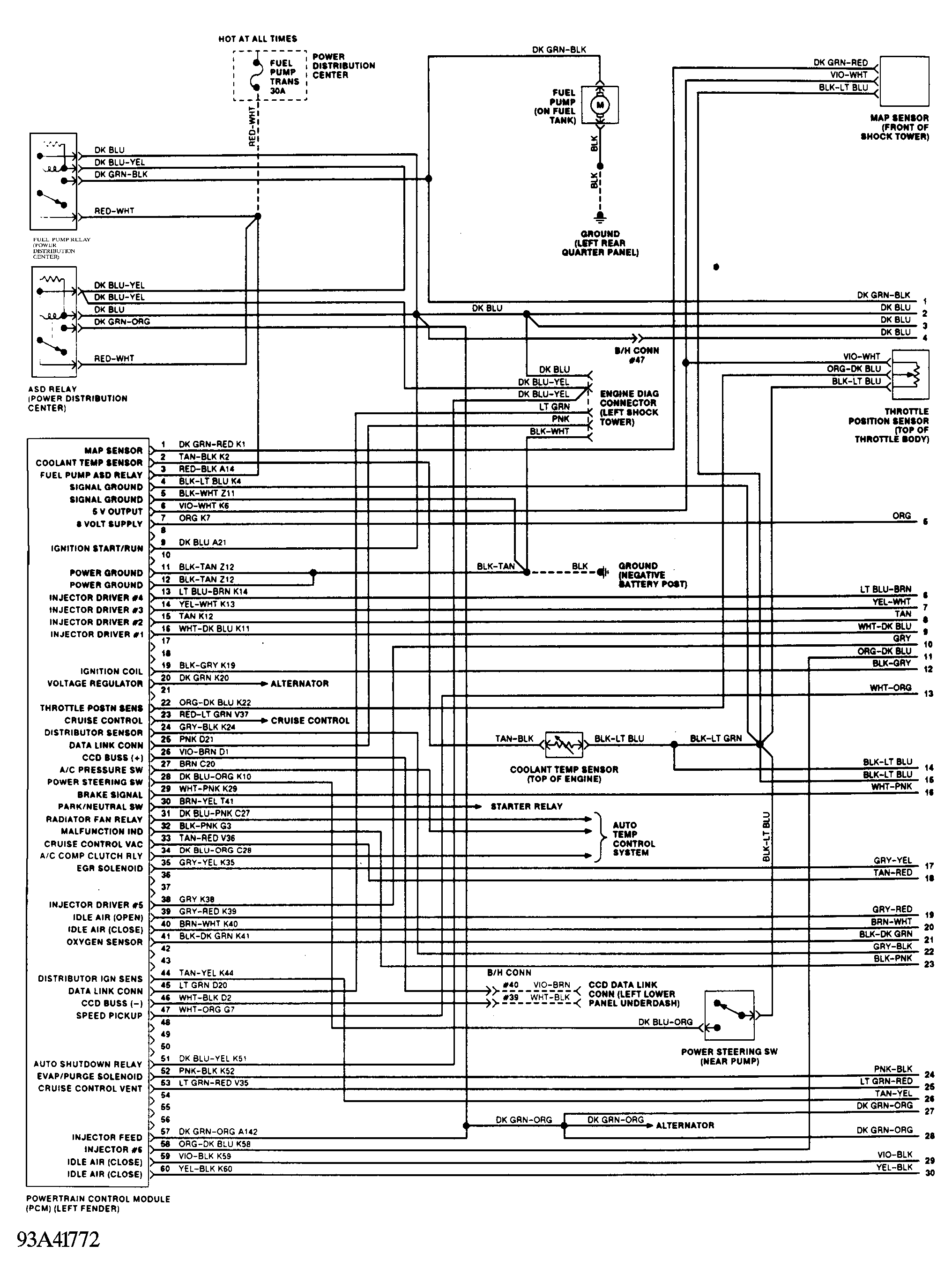
Fig 3: PCM Wiring Diagram - 1 Of 2 (3.0L PFI - Dynasty )
G93A41772
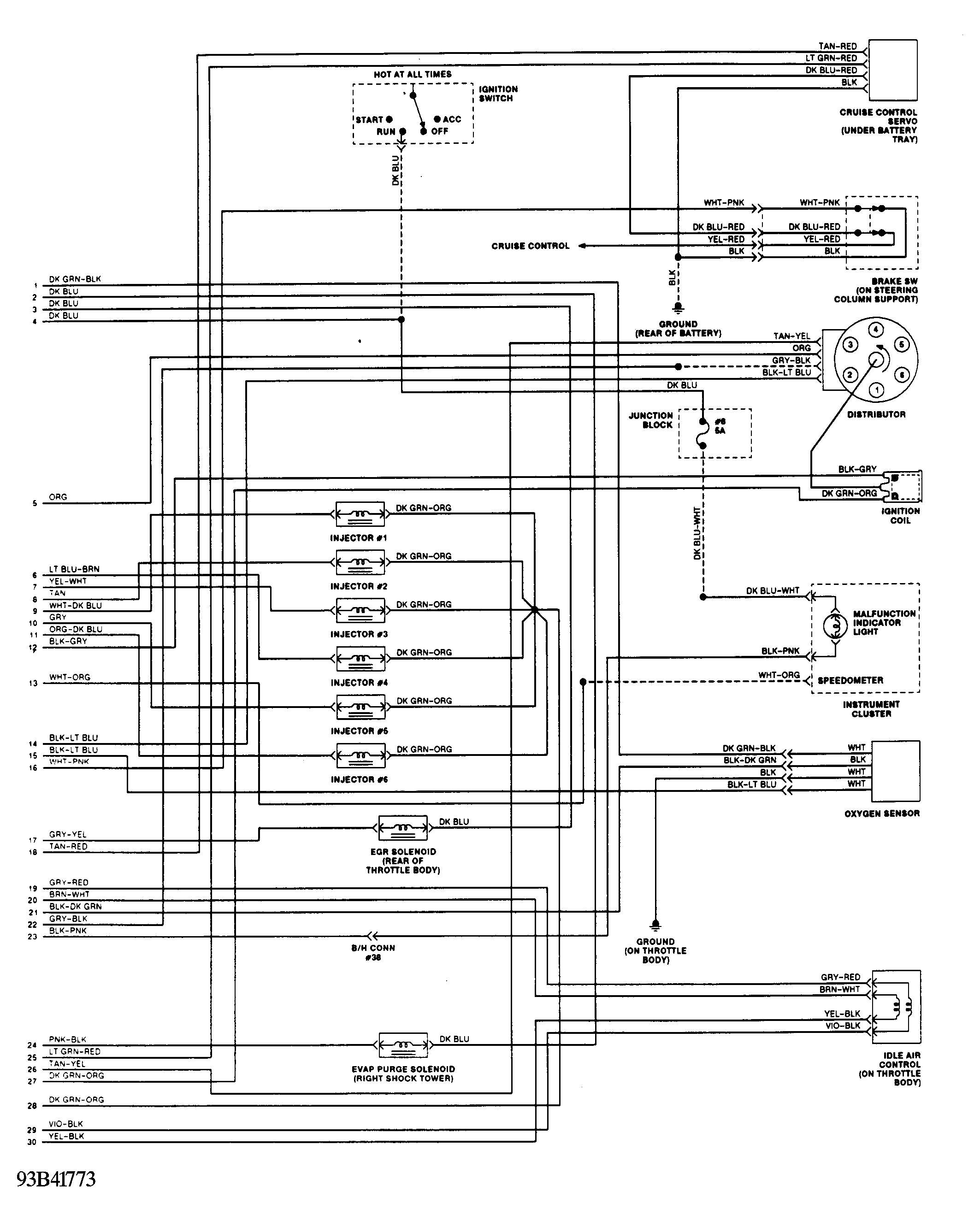
Fig 4: PCM Wiring Diagram - 2 Of 2 (3.0L PFI - Dynasty)
G93B41773
Fig 5: PCM Wiring Diagram - 1 Of 2 (3.3L & 3.8L PFI)
G93C41774
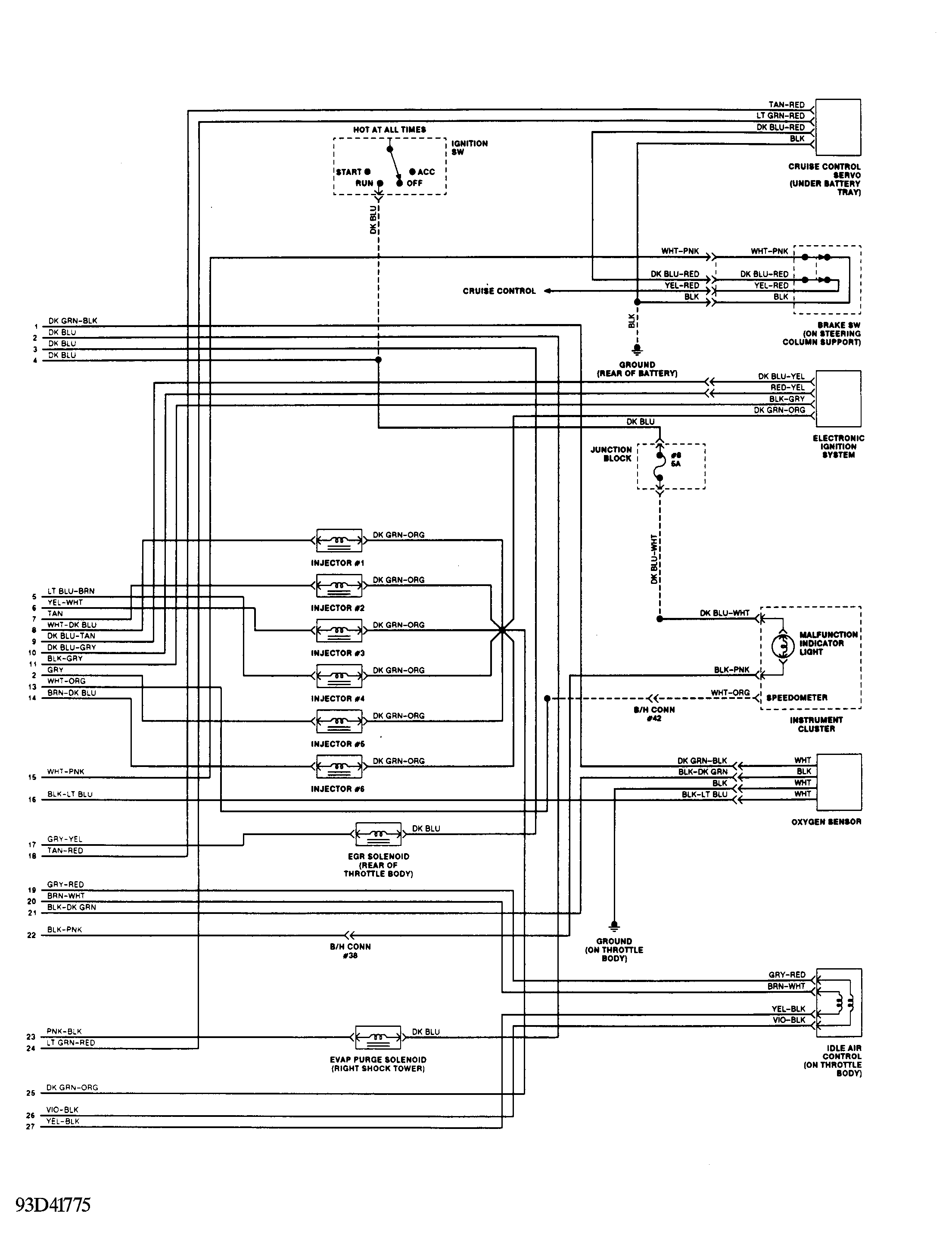
Fig 6: PCM Wiring Diagram - 2 Of 2 (3.3L & 3.8L PFI)
G93D41775
Fig 7: BCM W/Electronic Instrument Cluster Wiring Diagram
G93E41776
Fig 8: BCM W/Mechanical Cluster Wiring Diagram
G93F41777