LEMON Manuals: Even more car manuals for everyone: 1960-2025
Home >> Chrysler >> 1997 >> LHS V6-3.5L VIN F >> Repair and Diagnosis >> Powertrain Management >> Computers and Control Systems >> Relays and Modules - Computers and Control Systems >> Engine Control Module >> Technical Service Bulletins >> All Technical Service Bulletins >> Engine Controls - PCM Wiring Diagram Revisions
April 5, 2026: LEMON Manuals is launched! Read the announcement.

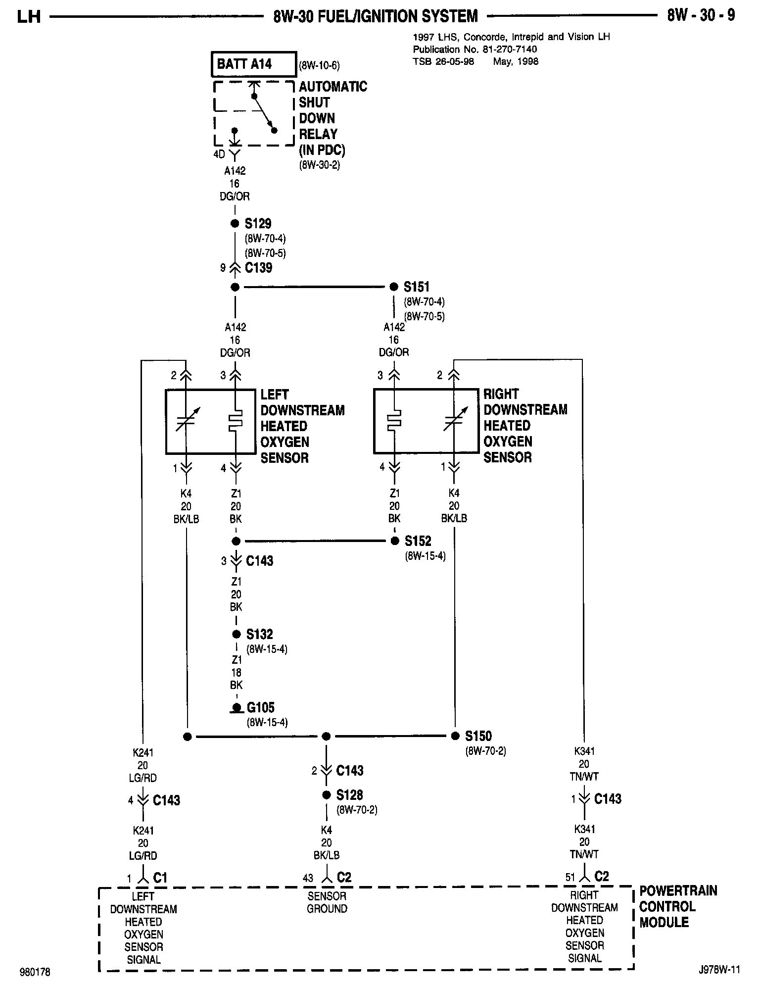
Engine Controls - PCM Wiring Diagram Revisions

NUMBER: 26-05-98B

GROUP: Miscellaneous

DATE: May, 1998

REVISIONS ARE HIGHLIGHTED WITH BLACK BARS IN THE MARGIN

Models:
1997 Concorde, Vision, Intrepid, LHS Service Manual - Publication Number 81-270-7140

DESCRIPTION OF CHANGES

Revision to the Power Train Control Module wiring diagrams





8W-30-8





8W-30-9





8W-80-50





8W-80-51