LEMON Manuals: Even more car manuals for everyone: 1960-2025
Home >> Chrysler >> 2001 >> Intrepid (CANADA) V6-3.2L >> Repair and Diagnosis >> Diagrams >> Electrical Diagrams >> Power Mirror Control Module
April 5, 2026: LEMON Manuals is launched! Read the announcement.

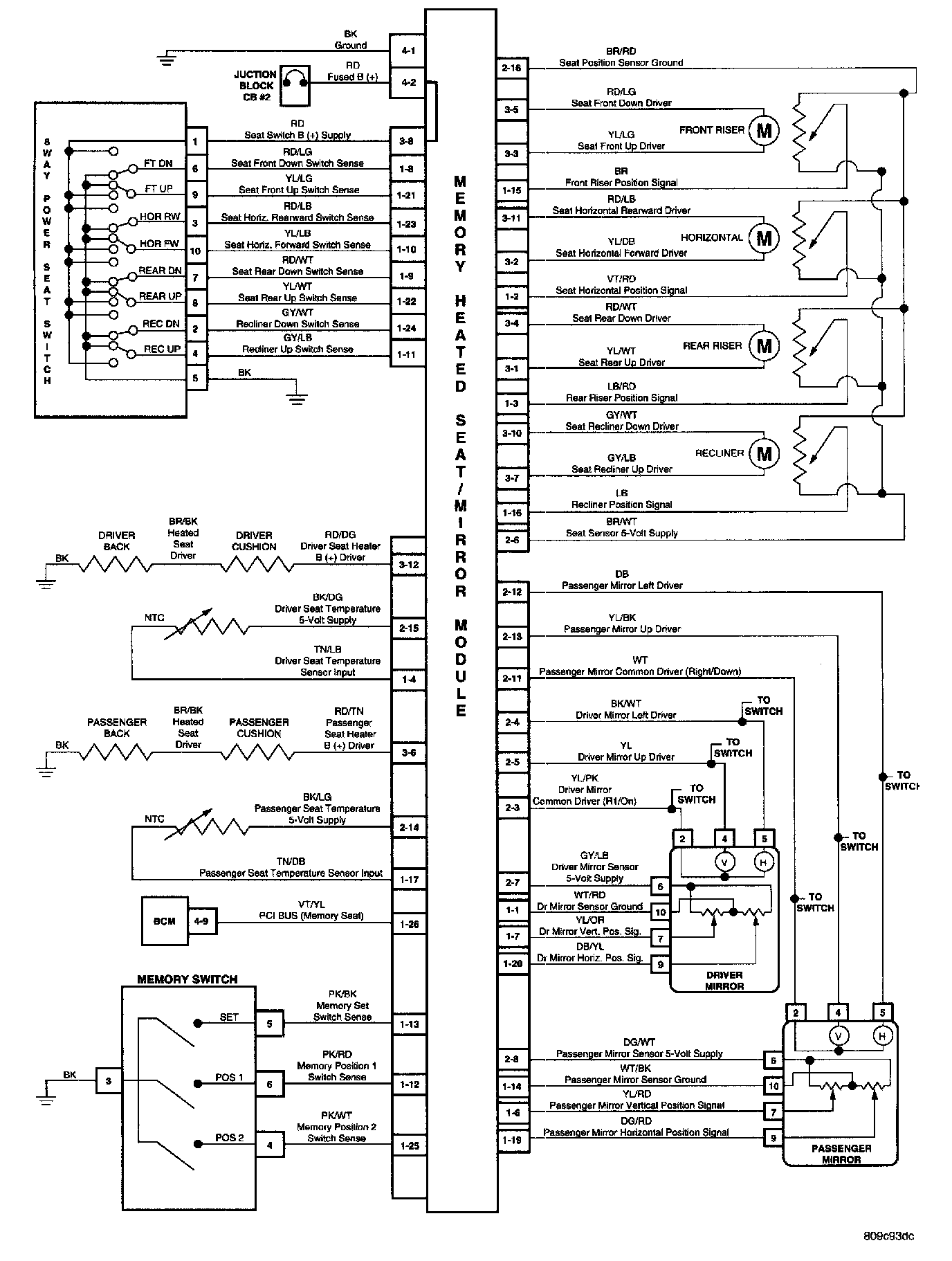
Power Mirror Control Module

Memory System: