LEMON Manuals: Even more car manuals for everyone: 1960-2025
Home >> Chrysler >> 2004 >> Crossfire Automatic >> Repair and Diagnosis >> Engine Performance >> Testing & Diagnosis >> Engine Controls - Electrical Diagnostics >> Diagnosis And Testing >> DTC P0135: O2 Sensor 1/1 Heater Circuit Low >> Circuit Diagram & Connector Identification
April 5, 2026: LEMON Manuals is launched! Read the announcement.

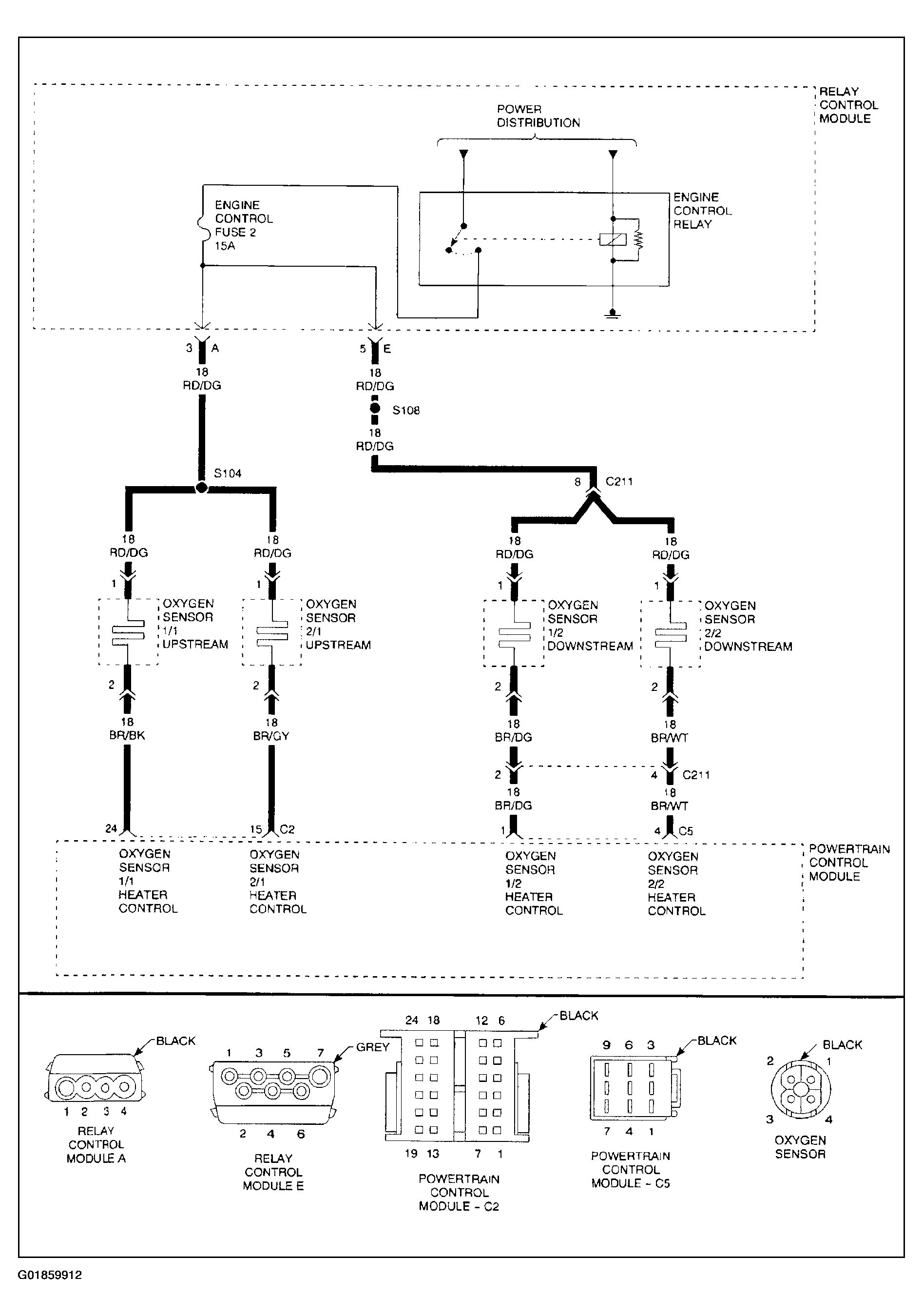
Circuit Diagram & Connector Identification

Fig 1: Identifying DTC P0135 Circuit Diagram & Connector Identification
G01859912Courtesy of DAIMLERCHRYSLER CORP.