LEMON Manuals: Even more car manuals for everyone: 1960-2025
Home >> Chrysler >> 2004 >> Crossfire Automatic >> Repair and Diagnosis >> Engine Performance >> Testing & Diagnosis >> Engine Controls - Electrical Diagnostics >> Diagnosis And Testing >> DTC P0171: Fuel System 1/1 Rich Control Over Limit (At Load) >> Circuit Diagram & Connector Identification
April 5, 2026: LEMON Manuals is launched! Read the announcement.

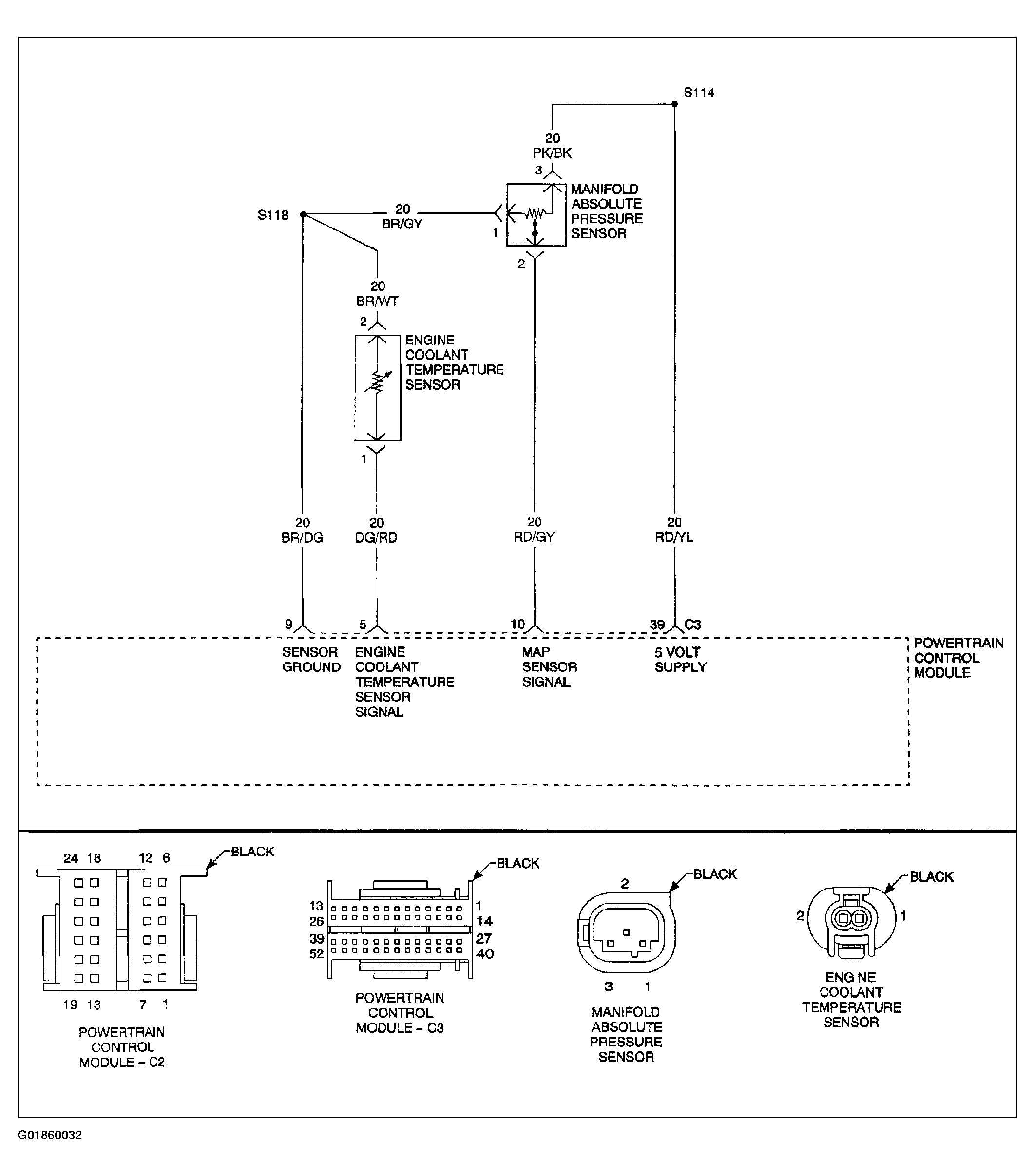
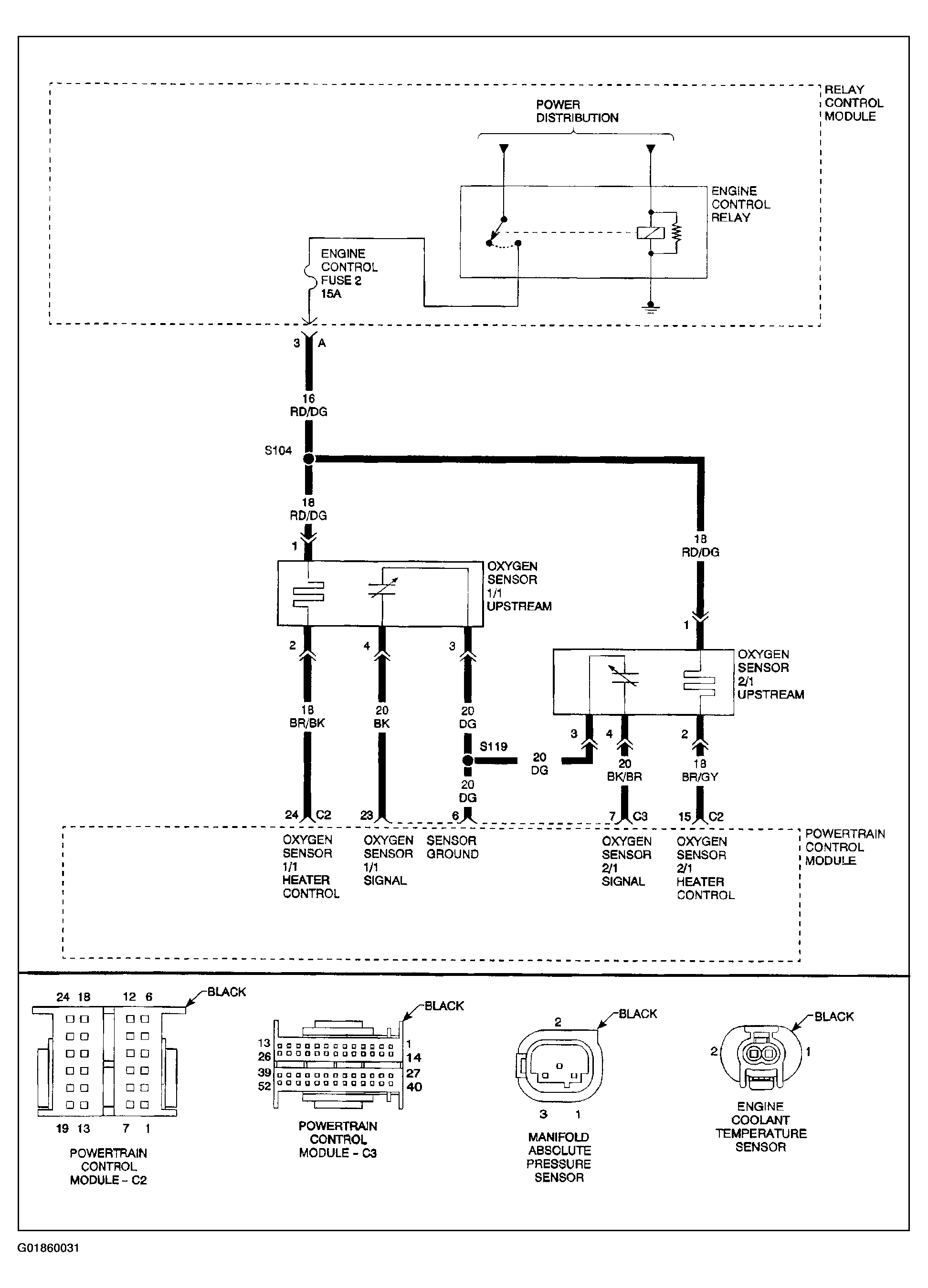
Circuit Diagram & Connector Identification

Fig 1: Identifying DTC P0171 Circuit Diagram & Connector Identification (1 Of 2)
G01860031Courtesy of DAIMLERCHRYSLER CORP.
Fig 2: Identifying DTC P0171 Circuit Diagram & Connector Identification (2 Of 2)
G01860032Courtesy of DAIMLERCHRYSLER CORP.